EasyManua.ls Logo

Rae MiniRAE Lite - Two-Point Calibration Process

Rae MiniRAE Lite
76 pages
Print Icon
To Next Page IconTo Next Page
To Next Page IconTo Next Page
To Previous Page IconTo Previous Page
To Previous Page IconTo Previous Page
Loading...
MiniRAE Lite User’s Guide
30
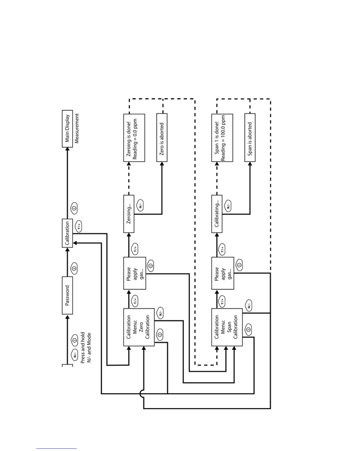
26 Standard Two-Point Calibration
(Zero & Span)
The following diagram shows the instrument’s calibrations.
Note: Dashed line indicates automatic progression.

Table of Contents

Related product manuals