EasyManua.ls Logo

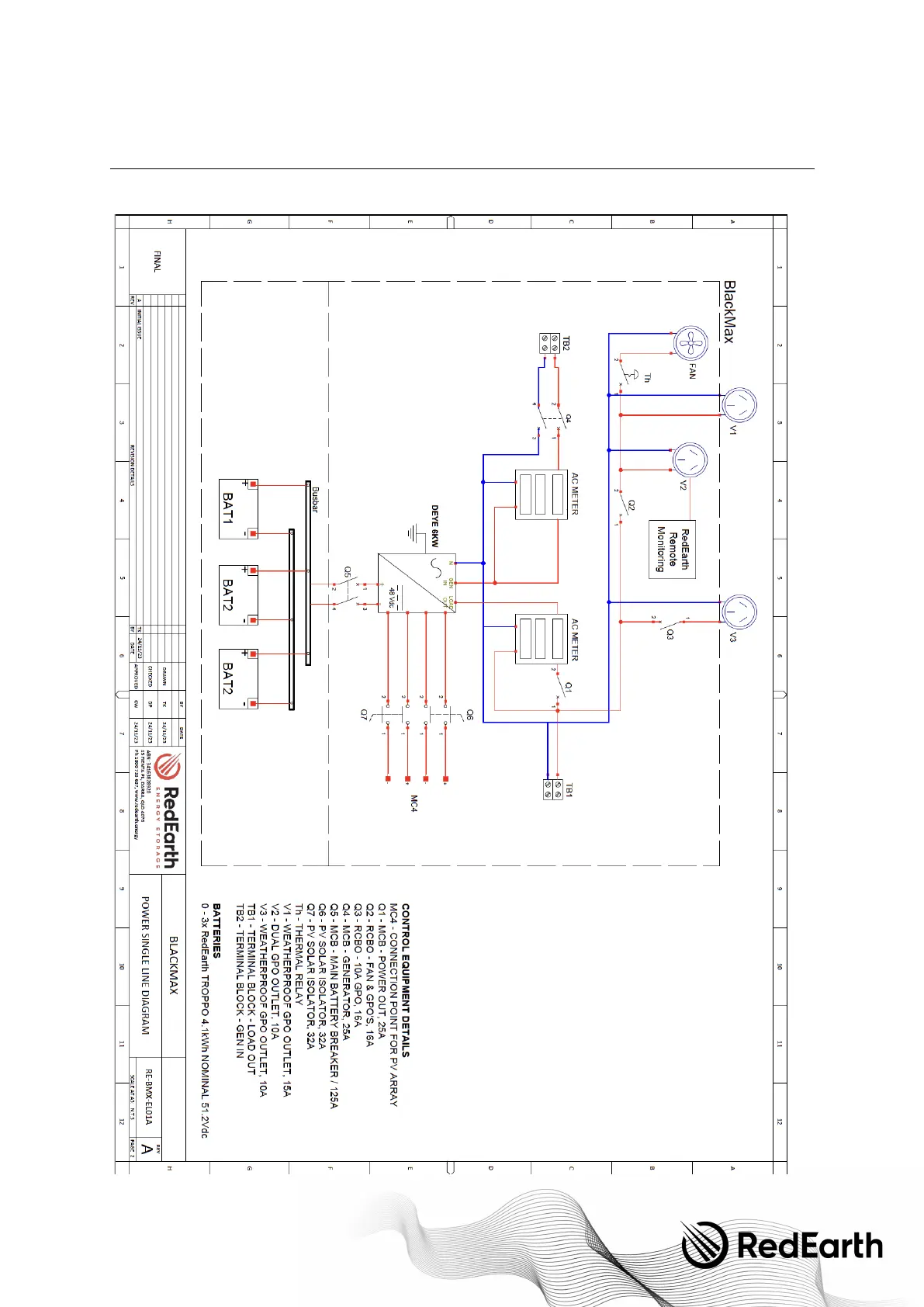
RedEarth BlackMax - Appendix A: Diagrams; Single Line Diagram: Power Flow; Single Line Diagram: Communications

RedEarth BlackMax
36 pages
Print Icon
To Next Page IconTo Next Page
To Next Page IconTo Next Page
To Previous Page IconTo Previous Page
To Previous Page IconTo Previous Page
Loading...
BlackMaxInstallation and Operation Manual
Page 30 of 36
Issue date: 24/11/2023. Version 13.0
Appendix A.
Single Line Diagram: Power

Other manuals for RedEarth BlackMax

Related product manuals