EasyManua.ls Logo

RefPlus EK Series - Of Less than; Fan Motors for Rooms of Less than

RefPlus EK Series
40 pages
Print Icon
To Next Page IconTo Next Page
To Next Page IconTo Next Page
To Previous Page IconTo Previous Page
To Previous Page IconTo Previous Page
Loading...
R
32
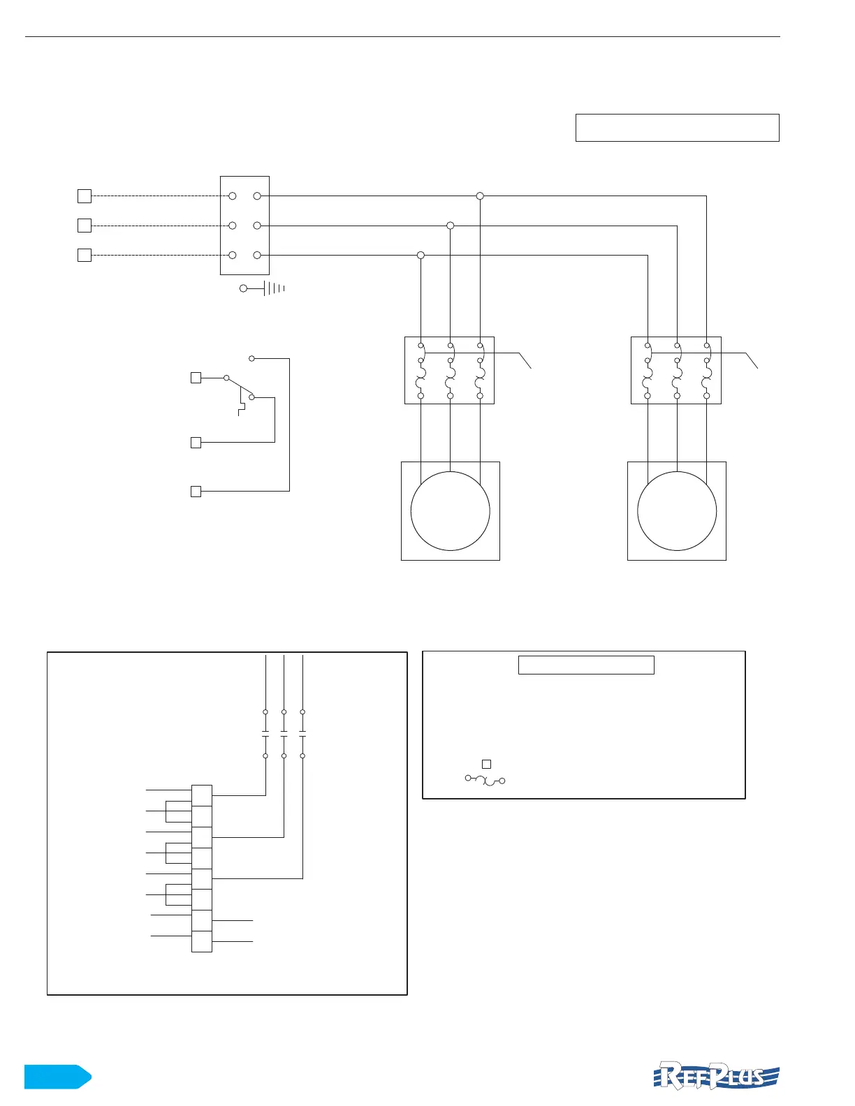
13.11 TYPICAL WIRING DIAGRAM FOR ALL EJ-LJ-DJ MODELS - HOT-GAS DEFROST
HIGH-SPEED FAN MOTORS FOR ROOMS OF LESS THAN 32
O
F (0
O
C) - 208-230/3/60
DT
FD
1
4
M
2
3
BLACK
L2
L3
L1
RED
BLUE
L1
L2
L3
W1
ORANGE
YELLOW
YELLOW
U1
TB
TB
W2
BROWN
RED
GRAY
BLUE
V1
U2
V2
BLACK
ORANGE
WHITE
BLACK
BLUE
RED
#F1 #F3#F2
: OVERLOAD
: TERMINAL BLOCK
MMP: MANUAL MOTOR PROTECTERS
M# : FAN MOTOR
DT : DEFROST TERMINATION
FD : FAN DELAY
X
NOTE: FAN MUST BE STOPPED BY THE DEFROST TIMER.
PDB
208-230/3/60
DETAIL "A"
M1
DETAIL "A"
M2
MMP
MMP
DETAIL "A"
HIGH SPEED WIRING
BY OTHERS -----
USE COPPER SUPPLY WIRES
WIRING DIAGRAMS
WIRING DIAGRAMS ARE FOR REFERENCE ONLY.
REFER TO DIAGRAM SUPPLIED WITH YOUR UNIT.

Table of Contents