EasyManua.ls Logo

RefPlus EK Series - O F (0 O C)

RefPlus EK Series
40 pages
Print Icon
To Next Page IconTo Next Page
To Next Page IconTo Next Page
To Previous Page IconTo Previous Page
To Previous Page IconTo Previous Page
Loading...
R
34
13.13
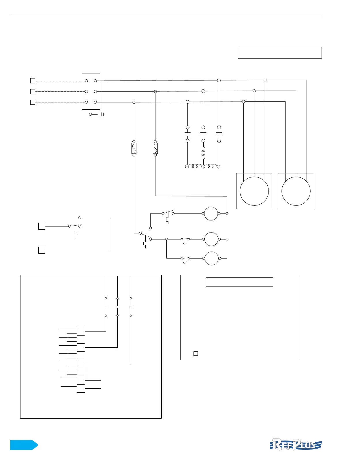
TYPICAL WIRING DIAGRAM FOR ALL EJ-LJ-DJ MODELS - HOT-GAS DEFROST
WITH ELECTRIC DRAIN PAN
HIGH-SPEED FAN MOTORS FOR ROOMS OF LESS THAN 32
O
F (0
O
C)
M1
M2
BLACK
L2
L3
L1
RED
BLUE
TB1
TB2
1T1
1T2
1T3
W1
ORANGE
YELLOW
YELLOW
U1
TB
TB
W2
BROWN
RED
GRAY
BLUE
V1
U2
V2
BLACK
ORANGE
WHITE
BLACK
BLUE
RED
#F1 #F3#F2
CC8
F
CC8
F
1T
1F
FD
HS
2
1
3
X
BROWN
DT
RED
C
BLACK
2F
H1
H2
H3
DH
: TERMINAL BLOCK
M# : FAN MOTOR
1F : EVAPORATOR FAN CONTACTOR
1T : EVAPORATOR FAN HEATER
DH : DEFROST HEATER
DT : DEFROST TERMINATION
FD : FAN DELAY
HS : HEATER SAFETY
TB#: MOTOR THERMAL PROTECTION
DETAIL "A"
DETAIL "A"
DETAIL "A"
HIGH SPEED WIRING
PDB
208-230/3/60
BY OTHERS -----
USE COPPER SUPPLY WIRES
WIRING DIAGRAMS
WIRING DIAGRAMS ARE FOR REFERENCE ONLY.
REFER TO DIAGRAM SUPPLIED WITH YOUR UNIT.

Table of Contents