EasyManua.ls Logo

RefPlus EK Series - Lm-Lj-Dj Models - Hot-Gas Defrost with Hot-Gas Drain Pan

RefPlus EK Series
40 pages
Print Icon
To Next Page IconTo Next Page
To Next Page IconTo Next Page
To Previous Page IconTo Previous Page
To Previous Page IconTo Previous Page
Loading...
R
38
14.3
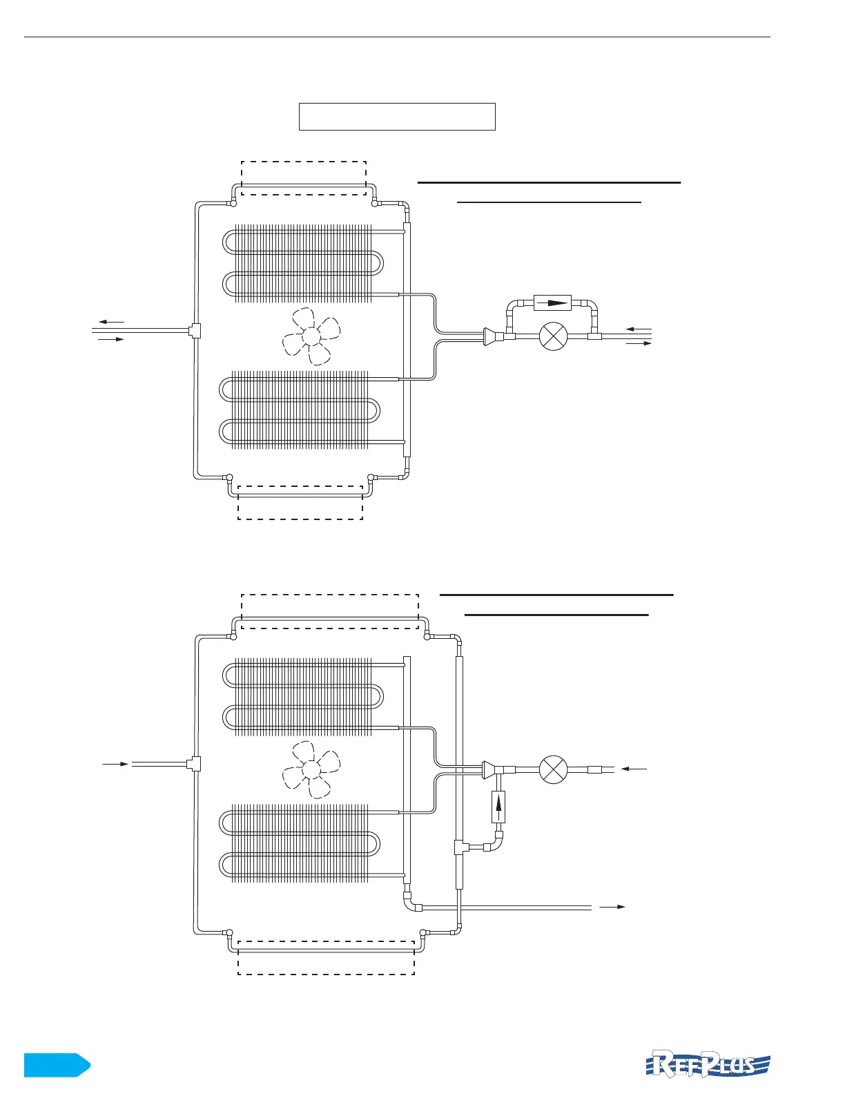
TYPICAL PIPING DIAGRAMS
FOR ALL
LM-LJ-DJ MODELS - HOT-GAS DEFROST
WITH HOT-GAS DRAIN PAN
PIPING DIAGRAMS
HOT GAS
SUCTION
DEFROST
LIQUID
DEFROST
SUCTION
DRAIN PAN
DRAIN PAN
HOT GAS
LIQUID
DRAIN PAN
DRAIN PAN
Dual Coil: Reverse-Cycle Defrost
with Hot-Gas Drain Pan
Dual Coil: Three-pipe Defrost
with Hot-Gas Drain Pan
PIPING DIAGRAMS ARE FOR REFERENCE ONLY.
MAY VARY ON ACTUAL UNIT.

Table of Contents