EasyManua.ls Logo

Riello 40 FS - Collegamenti Elettrici con Controllo Tenuta Valvole (DUNGS VPS 504); 5.11.4 Corrente DI Ionizzazione

Riello 40 FS
Print Icon
To Next Page IconTo Next Page
To Next Page IconTo Next Page
To Previous Page IconTo Previous Page
To Previous Page IconTo Previous Page
Loading...
20063732
20
I
Installazione
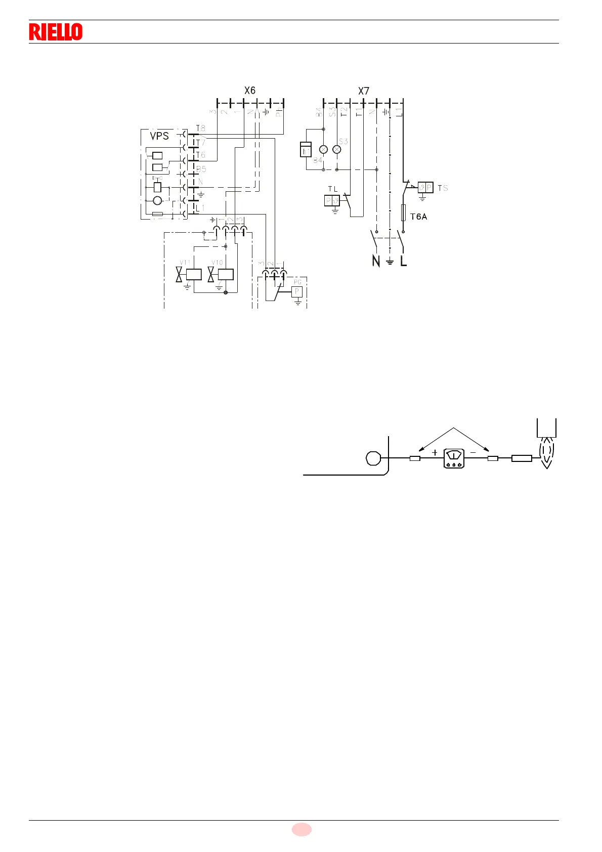
5.11.3 Collegamenti elettrici con controllo tenuta
valvole (DUNGS VPS 504)
Legenda (Fig. 17)
B4 Segnale di funzionamento
h1 Contaore
PG Pressostato gas minima
S3 Segnalazione di blocco a distanza (230V - 0,5A max.)
T6A Fusibile
TL Termostato di limite
TS Termostato di sicurezza
VPS Controllo di tenuta valvole
V10 Valvola di sicurezza
V11 Valvola di regolazione
X6 Spina 6 poli
X7 Spina 7 poli
5.11.4 Corrente di ionizzazione
La corrente minima per far funzionare l’apparecchiatura è 3 µA.
Il bruciatore fornisce normalmente un valore superiore di corren-
te, in modo che nessun controllo è necessario. Qualora, comun-
que, si voglia misurare la corrente di ionizzazione bisogna aprire
il connettore (CN1)(Fig. 16) nel filo rosso ed inserire un microam-
perometro come illustrato in Fig. 18.
Fig. 17
D4199
Fig. 18
D5006
Sonda
Connettore
Apparecchiatura

Table of Contents

Related product manuals