EasyManua.ls Logo

Riello RG4F - 7-Polige Stekker; Elektrische Aansluitingen; Fig. 10; Opgelet

Riello RG4F
Print Icon
To Next Page IconTo Next Page
To Next Page IconTo Next Page
To Previous Page IconTo Previous Page
To Previous Page IconTo Previous Page
Loading...
3004
7
NL
3.5 ELEKTRISCHE AANSLUITINGEN
NULLEIDER EN FASE NIET OMWISSELEN
OPGELET
NOOT:
Doorsnede geleiders: min. 1 mm
2
.
(Mits anders voorgeschreven door plaatselijke nor-
men en wetten).
De elektrische aansluitingen die de installateur uitvo-
ert dienen te voldoen aan de wetgeving terzake in
het betrokken land.
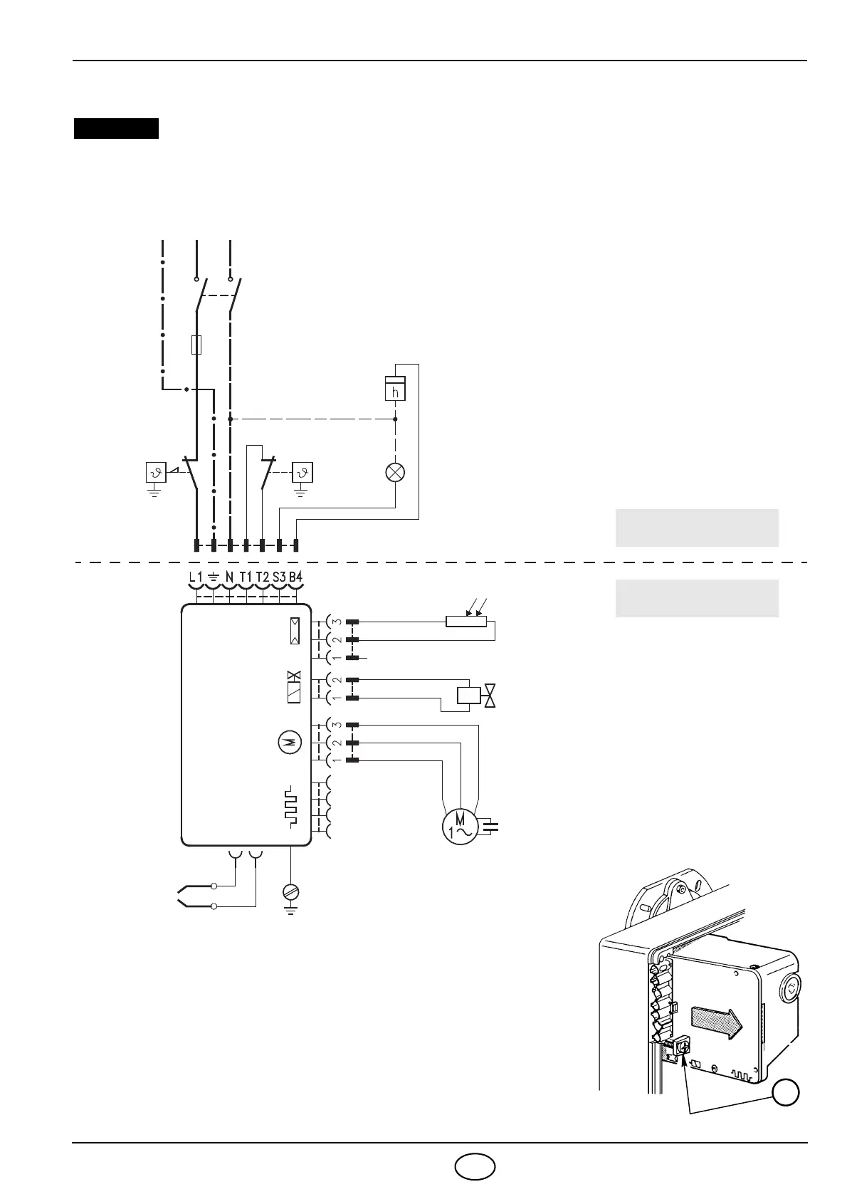
CONTROLEDOOS, (zie Fig. 9)
Om de controledoos van de brander te verwijderen, draai schroef (A)
los en trek in de richting van de pijl nadat u alle componenten, de 7-
polige mannelijke stekker en de aarding ontkoppeld heeft.
Bij hermontage, de schroef (A) opnieuw aandraaien met een
aandraaikoppel 1 ÷ 1,2 Nm.
CHECK-UP
Controleer de branderstop bij opening van de ther-
mostaten en de brandervergrendeling bij verduister-
ing van de vlambeveilinging.
D1913
Hoofdschakelaar
T6A
Limietthermostaat
PE L N
~50/60Hz 220/230V
S7072
Fig. 10
A
552SE
CONTROLEDOOS
Urenteller
(230V - 0,
1A
max.)
Controlelampie vergrendeling
(230V - 0,5A max.)
Veiligheids-
thermostaat
UITGEVOERD
IN DE FABRIEK
TEN LASTE VAN
DE INSTALLATEUR
Vrouwelijke
7-polige stekker
Mannelijke
7-polige stekker
Vlambeveilinging
Zwart
Wit
Blauw
Bruin
Blauw
Olieventiel
Condensator
Motor
Ontstekings-
Aarding brander
electroden

Table of Contents

Related product manuals