EasyManua.ls Logo

Riello RG4S - Maximum dimensions; Burner description

Riello RG4S
70 pages
Print Icon
To Next Page IconTo Next Page
To Next Page IconTo Next Page
To Previous Page IconTo Previous Page
To Previous Page IconTo Previous Page
Loading...
9
20136874
GB
Technical description of the burner
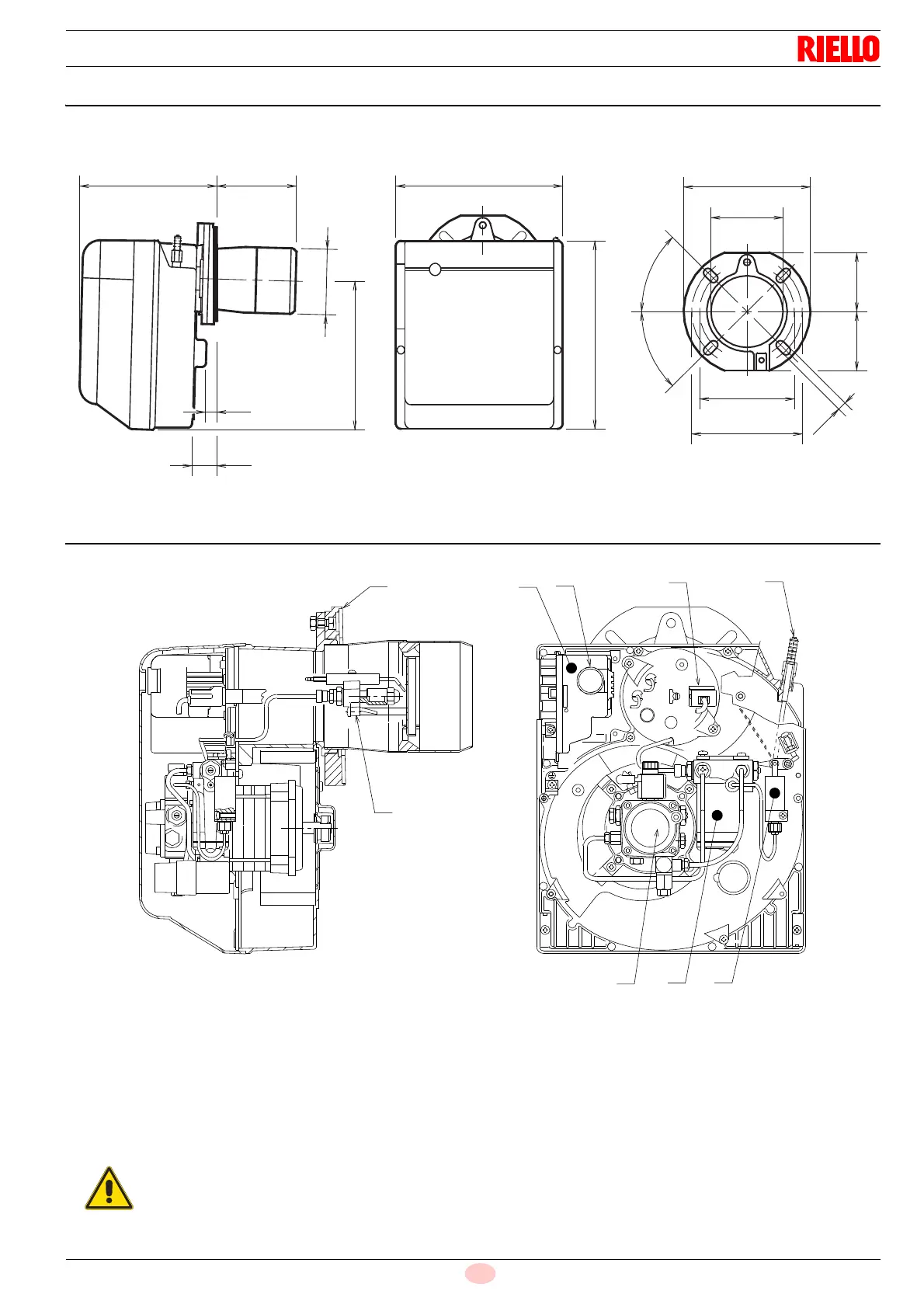
4.6 Maximum dimensions
The maximum dimensions of the flange and burner are given in Fig. 1.
4.7 Burner description
1 Oil pump
2 Control box
3 Reset button with lock-out signal
4 Flange with insulating gasket
5 Air damper adjustment assembly
6 Nozzle-holder assembly
7 Flame sensor
8 Hydraulic jack
9 Delaying device
Fig. 1
228 142 300
213
160
190
12
36
285
345
11
9999
127
4
5
°
4
5
°
D5353
ø 123
Fig. 2
4
6
3
2
1
8
5
9
7
D7821
WARNING
To meet the required standards, the burner must
be protected by a pane or by the boiler door.
This protection must be removed only with a tool.

Table of Contents

Related product manuals