EasyManua.ls Logo

Rockwell Automation 2198-C4020-ERS

Rockwell Automation 2198-C4020-ERS
246 pages
To Next Page IconTo Next Page
To Next Page IconTo Next Page
To Previous Page IconTo Previous Page
To Previous Page IconTo Previous Page
Loading...
Rockwell Automation Publication 2198-UM005C-EN-P - February 2022 177
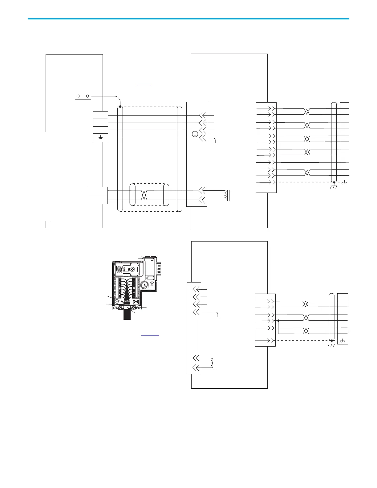
Appendix A Interconnect Diagrams
These compatible Kinetix TL and TLY rotary motors have separate connectors
and cables for power/brake and feedback connections.
Figure 86 - Kinetix 5300 with Kinetix TLY Rotary Motors
7
9
U
V
W
+5VDC
ECOM
GREEN
WHT/GREEN
GRAY
WHT/GRAY
BLACK
WHT/BLACK
RED
WHT/RED
1
2
3
4
5
10
14
6
15
GND
U
V
W
1
2
MBRK +
MBRK -
Brown
Black
Blue
Green/Yellow
White
Black
Shield
1
2
3
4
5
6
7
8
9
10
11
12
13
14
15
8
7
6
5
4
3
2
1
10
11
12
13
14
+
--
1
2
3
5
BR+
BR-
7
9
GRAY
WHT/GRAY
22
23
14
6
24
GND
ORANGE
WHT/ORANGE
6
BAT+
BAT-
+5VDC
ECOM
SHIELD
BAT+
BAT-
DATA+
DATA-
GREEN
WHT/GREEN
13
14
5
10
AM+
AM-
BM+
BM-
IM+
IM-
9
10
11
12
13
14
22
23
WHT/BLUE
YELLOW
WHT/YELLOW
S1
S2
S3
SHIELD
24
17
19
12
13
8
U
V
W
1
2
3
5
BR+
BR-
Motor Brake
Motor Brake
Connector
Motor Power
Connector
TLY-Axxxx-H (230V)
Servo Motors with
Incremental Feedback
Motor Feedback
(MFB) Connector
Three-phase
Motor Power
Motor
Feedback
Refer to connector kit
illustration (lower left)
for proper grounding technique.
Grounding Technique for
Feedback Cable Shield
Refer to table on page 169
for note information.
2090-CFBM6DF-CBAAxx
(flying-lead) Feedback Cable
Notes 8
2090-CPBM6DF-16AAxx
Motor Power and Brake Cable
or
2090-CPWM6DF-16AAxx
(cable for non-brake applications)
Note 8
Cable Shield
Clamp
Note 5
2198-Cxxxx-ERS
Kinetix 5300 Servo Drives
Refer to Kinetix 5300 Feedback Connector Kit
Installation Instructions, publication 2198-IN023
, for
connector kit specifications.
2198-K53CK-D15M Feedback
Connector Kit
Use the 2198-K53CK-D15M
feedback connector kit
with flying-lead cables.
TLY-Axxxx-B (230V)
Servo Motors with
High-resolution Feedback
Motor Brake
Motor
Feedback
Three-phase
Motor Power
2090-CFBM6DF-CBAAxx (flying-lead) or
2090-CFBM6DD-CCAAxx
(with drive-end connector)
Feedback Cable
2198-K53CK-D15M Feedback
Connector Kit
360° exposed shield that
is secured under clamp.
Clamp Screws (2)
Clamp
Tie Wrap
2090-CFBM6DD-CCAAxx
(drive-end connector) feedback cable
is also available.

Table of Contents

Other manuals for Rockwell Automation 2198-C4020-ERS

Related product manuals