EasyManua.ls Logo

Rockwell Automation Allen-Bradley Guard master 442G-MAB Series - Wiring: Cat 0 Stop with GSR-DI & GLP

Rockwell Automation Allen-Bradley Guard master 442G-MAB Series
68 pages
To Next Page IconTo Next Page
To Next Page IconTo Next Page
To Previous Page IconTo Previous Page
To Previous Page IconTo Previous Page
Loading...
Rockwell Automation Publication 440G-UM001B-EN-P - May 2016 47
Wiring Examples Chapter 5
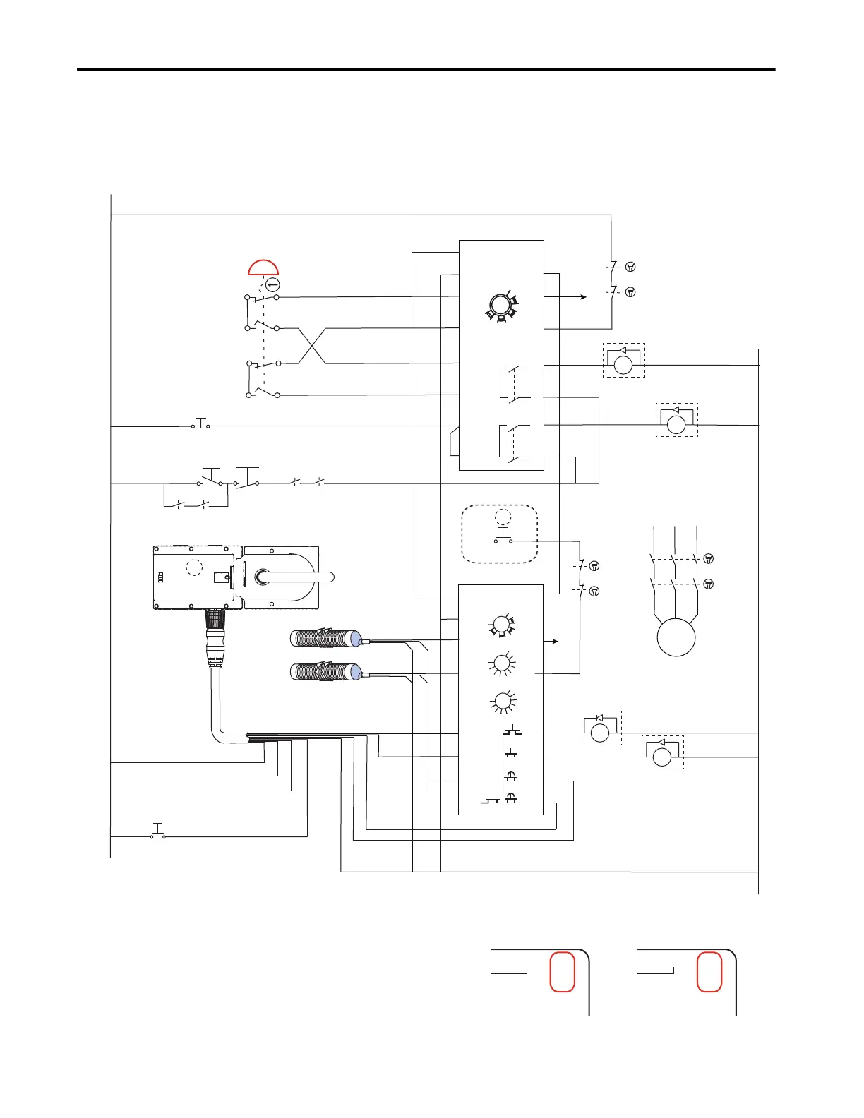
Cat 0 Stop with Speed Monitored Guard Lock Function with
GSR-DI and GLP Safety Relay
A1
A2
L12
S54
L11
SL1
0
1
2
3
4
5
6
7
8
9
1
2
3
4
5
8
10
9
P22
P12
AP
LOGIC
6
7
0
1
2
3
4
56
7
8
9
S22
S12
Y32
S44
A1
X14
X24
51
L61
GLP
889M-F19RM-X
24V DC, Class 2
872C-D8NP18-E5 (2)
440R-GL2S2P
SL2
R
UA
OT
OL
M
L1 L2 L3
K1
K2
R
A1
A2
L11
S21
S11
S22
S12
Y32
S34
13
14
23
24
DI
0V DC
442G-MAB PTR
2
0
8
Rev. A
Rev. B
87654321
X3
IMM
0V
UA
IMP1
IMP2
87654321
X3
IMM
IMP
*
0V
UA
L12
S32
S42
0
1
2
3
4
5
6
7
8
LOGIC
6
440R-D22R2
K1
K2
K3
K4
K3
K4
K1
K2
K1 K2
K3 K4
In this example The E-stop initiates a category 0 stop function.
The unlock request initiates a category 0 stop function.
The MAB and GLP provide a speed monitored guard lock function.
The MAB and GLP provide a prevention of unexpected start-up function.
Hardware Rev. B
Unlock Request
MAB cover
Reset/Lock
Blue
Brown
Yellow/Brown
Gray/Pink
Status
to PAC
Reset MAB Fault
Green/
Black
Red/Blue
Unlock Cmd A
- see Note 2
Unlock Cmd B
Violet
Gray/
Brown
White/Green
Rev. BRev. A
Status
to PAC
Pink
Blue
Black
Brown
Blue
Black
Brown
Start
Stop
- see Note 2
- see Note 3
- see Note 1
Note 1: U : Connected to 24V internally in MAB
OL: True when the door is closed, the bolt is extended and locked.
OT: True when the door is closed and the bolt is extended, locked or not.
Note 2: K1 and K2 = 100S-CO9EJ14BC - EJ contactors have integral transient
suppression. External transient suppression may be required when non-
”EJ” contactors are used.
K3 and K4 = 700-HPSXZ24 DPDT Safety relays with 700-ADL12
suppression - red status indicator modules.
A
Note 3: When using a Hardware Rev. A MAB, connect the violet wire to terminal
51 of the GLP. The gray/brown wire must remain unconnected.
Note that the terminal designations of X3.6 and X3.7 are different on
Hardware Rev. A and Hardware Rev. B MAB.

Table of Contents

Related product manuals