EasyManua.ls Logo

Roland S-1 - Signal Flow

Roland S-1
75 pages
Print Icon
To Next Page IconTo Next Page
To Next Page IconTo Next Page
To Previous Page IconTo Previous Page
To Previous Page IconTo Previous Page
Loading...
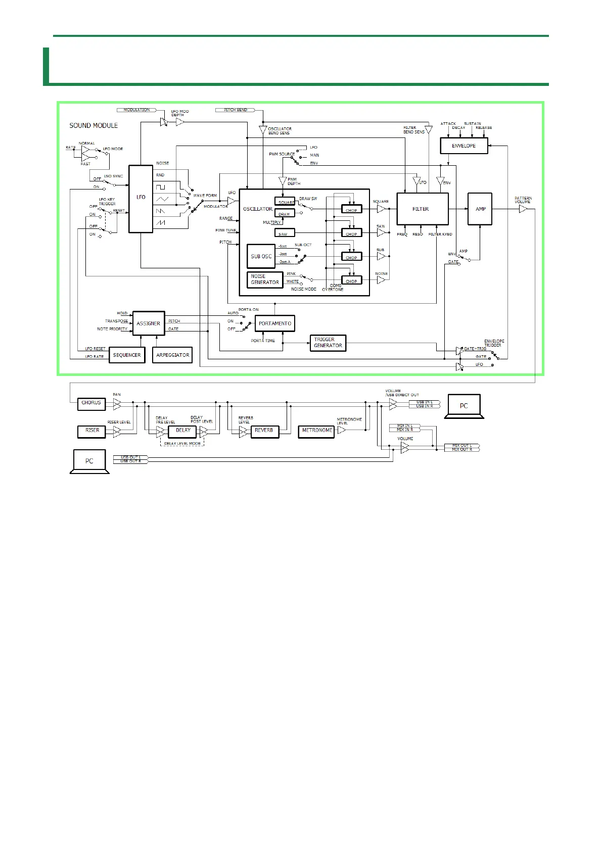
Signal flow
72
Signal flow

Related product manuals