EasyManua.ls Logo

Ropex CIRUS UPT-640 - Wiring Diagram with Booster Connection

Ropex CIRUS UPT-640
55 pages
Print Icon
To Next Page IconTo Next Page
To Next Page IconTo Next Page
To Previous Page IconTo Previous Page
To Previous Page IconTo Previous Page
Loading...
Installation
16 UPT-640 (as of SW 100)
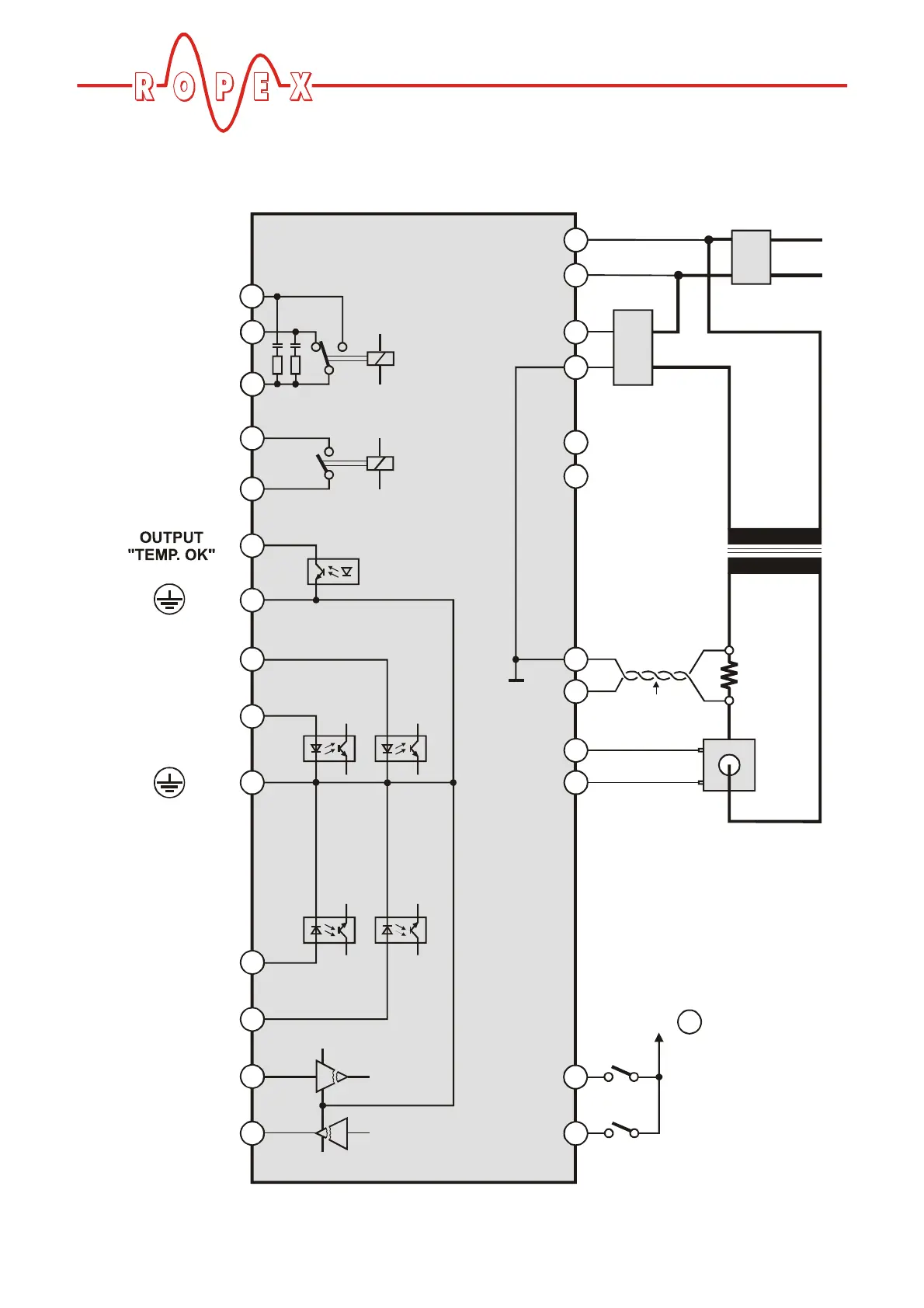
7.7 Wiring diagram with booster
connection
4
3
5
6
20
21
22
26
24
25
23
15
14
116
17
2
18
+
0V
K1
2x 47nF/560R
UPT-640
(also with MOD 01)
AUTOCAL
with 24VDC signal
RESET
with 24VDC signal
+
+
TEMP. IN
0 - 10VDC
TEMP. OUT
0 - 10VDC
8
9
12
13
10
11
19
7
START (HEAT)
with contact
START (HEAT)
with 24VDC signal
RELEASE IMPULSE
(CH1)
with 24VDC signal
ALARM
OUTPUT
max. 30V/0,2A
RELAY K1
100VDC/1,5A
240VAC/1,5A
GND
GND
Contact closed or
opened by ALARM
(see configuration)
Ground
for 24VDC signals.
Must be grounded
externally to prevent
electrostatic
charging!
0V (Internal ground)
Terminal
2
LINE
Booster
NC
NC
24
IN OUT
13
Line filter LF-xx480
Impuls
transformer
Remark:
Only principal diagram.
Heating/sensor elements,
impulse transformer and wiring
must be determined individually
according to the application
(see ROPEX-Application Report).
R
I
R
U
R
Current transformer
PEX-W2/-W3
sec.
U
2
prim.
U
1
twisted
RELEASE IMPULSE
(CH1)
with contact
heating
element
0V
(Intern. ground)
No external
grounding
allowed!

Table of Contents

Related product manuals