EasyManua.ls Logo

Rottler SG9M - Workhead Assembly

Rottler SG9M
72 pages
Print Icon
To Next Page IconTo Next Page
To Next Page IconTo Next Page
To Previous Page IconTo Previous Page
To Previous Page IconTo Previous Page
Loading...
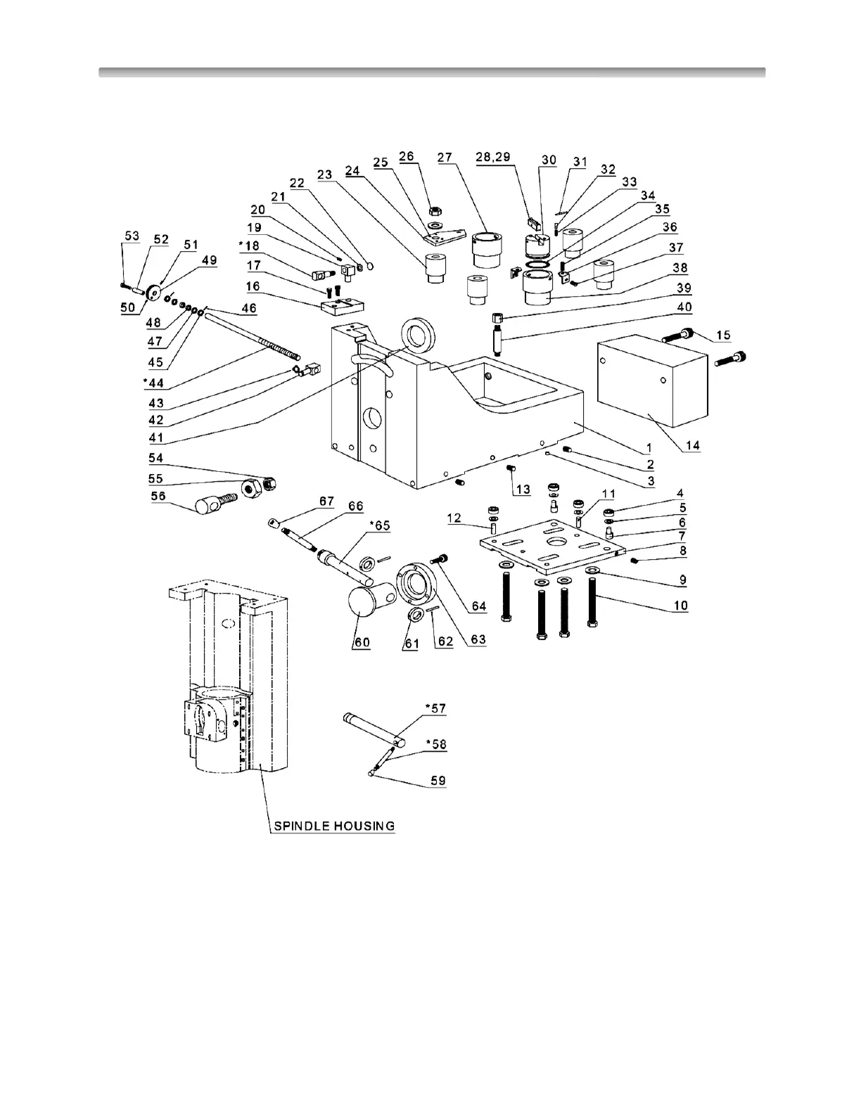
Machine Parts 6 SG9M Manual
WORKHEAD ASSEMBLY

Table of Contents