EasyManua.ls Logo

Salus iT500TR - Page 14

Salus iT500TR
52 pages
Print Icon
To Next Page IconTo Next Page
To Next Page IconTo Next Page
To Previous Page IconTo Previous Page
To Previous Page IconTo Previous Page
Loading...
14
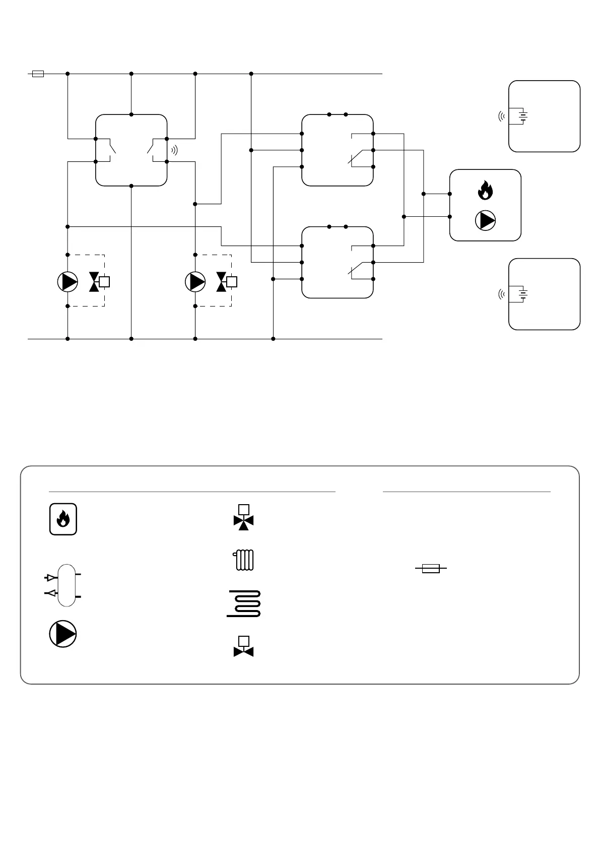
Electric diagram:
L, N - power supply 230V
NO, COM - voltage-free output
- fuse
Legend:
Symbols explanation:
Buer / Coupler
Thermostatic
mixing valve
Radiator heating
Underoor heating
Shut-o valve
Pump
Boiler - Boiler connection*
- Boilers contacts for ON/OFF
thermostat (according to the
boiler’s instructions)
T
* Relays RM-16A No. 1 and No. 2 are used only when we want to control the boiler (ON / OFF). Then connect the relay output contacts to the boiler in the
place intended for connecting the room thermostat.
M
M2M1
L
AC 230V
P1 P2
N
COMCOM
NONO
iT500RX
N
L
iT300
3V
2 x AAA
iT500TX
3V
2 x AA
(input)
(input)
RM-16A
NO
NO
COM
COM
NC
SL
N
L
(output)
(input)
(output)
(input)
RM-16A
NO
NO
COM
COM
NC
SL
N
L
M M
CH
OUTPUT
AUX
OUTPUT

Table of Contents

Related product manuals