EasyManua.ls Logo

Samsung AVXTJH028EE - 4 Way Cassette Type

Samsung AVXTJH028EE
508 pages
Print Icon
To Next Page IconTo Next Page
To Next Page IconTo Next Page
To Previous Page IconTo Previous Page
To Previous Page IconTo Previous Page
Loading...
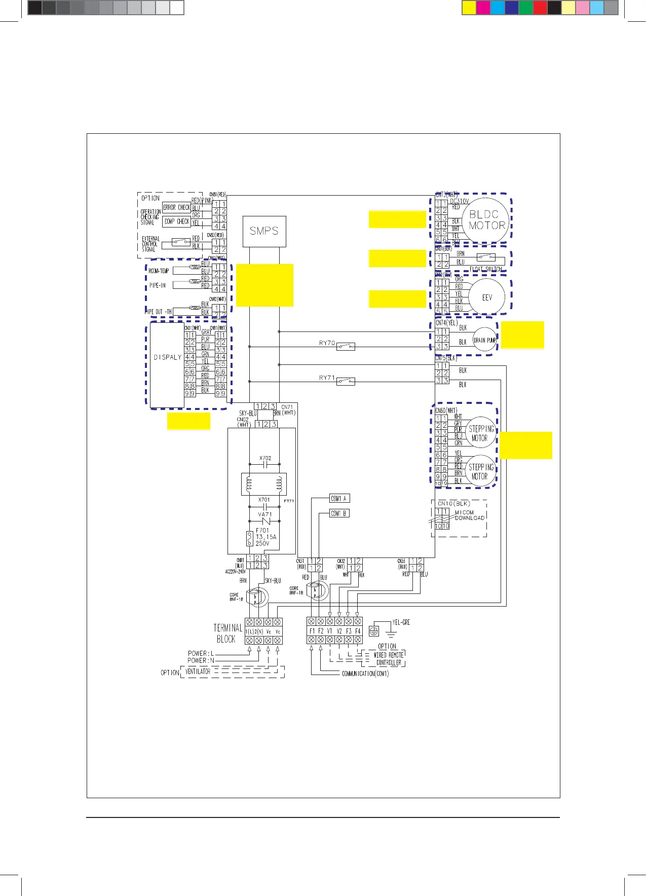
Wiring Diagram
7-4 Samsung Electronics
7-1-3 4way cassette type
This Document can not be used without Samsungs authorization.
Indoor
Eva. In
Eva. Out
Sensor Part
Display Part
Rouver Control
Part
Fan Motor Part
Float S/W Part
EEV Control Part
Drain Pump
Part
$9;&6+B$BLQGG 

Table of Contents

Related product manuals