EasyManua.ls Logo

Samsung AVXTJH028EE - DUCT Type(Slim I, II)

Samsung AVXTJH028EE
508 pages
Print Icon
To Next Page IconTo Next Page
To Next Page IconTo Next Page
To Previous Page IconTo Previous Page
To Previous Page IconTo Previous Page
Loading...
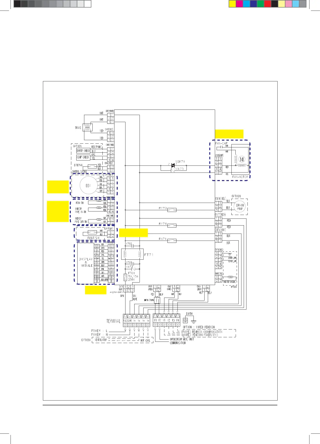
Wiring Diagram
7-6 Samsung Electronics
7-1-5 DUCT type(Slim I, II)
AVXDSH022/028/036/045/056/071E
ND022/028/036/045/056/071L
This Document can not be used without Samsungs authorization.
Indoor
Eva. In
Eva. Out
Sensor Part
Display Part
Fan Motor Part
EEV Control
Part
Float S/W Part
$9;&6+B$BLQGG 

Table of Contents

Related product manuals