EasyManua.ls Logo

Samsung AVXTJH028EE - Console Type

Samsung AVXTJH028EE
508 pages
Print Icon
To Next Page IconTo Next Page
To Next Page IconTo Next Page
To Previous Page IconTo Previous Page
To Previous Page IconTo Previous Page
Loading...
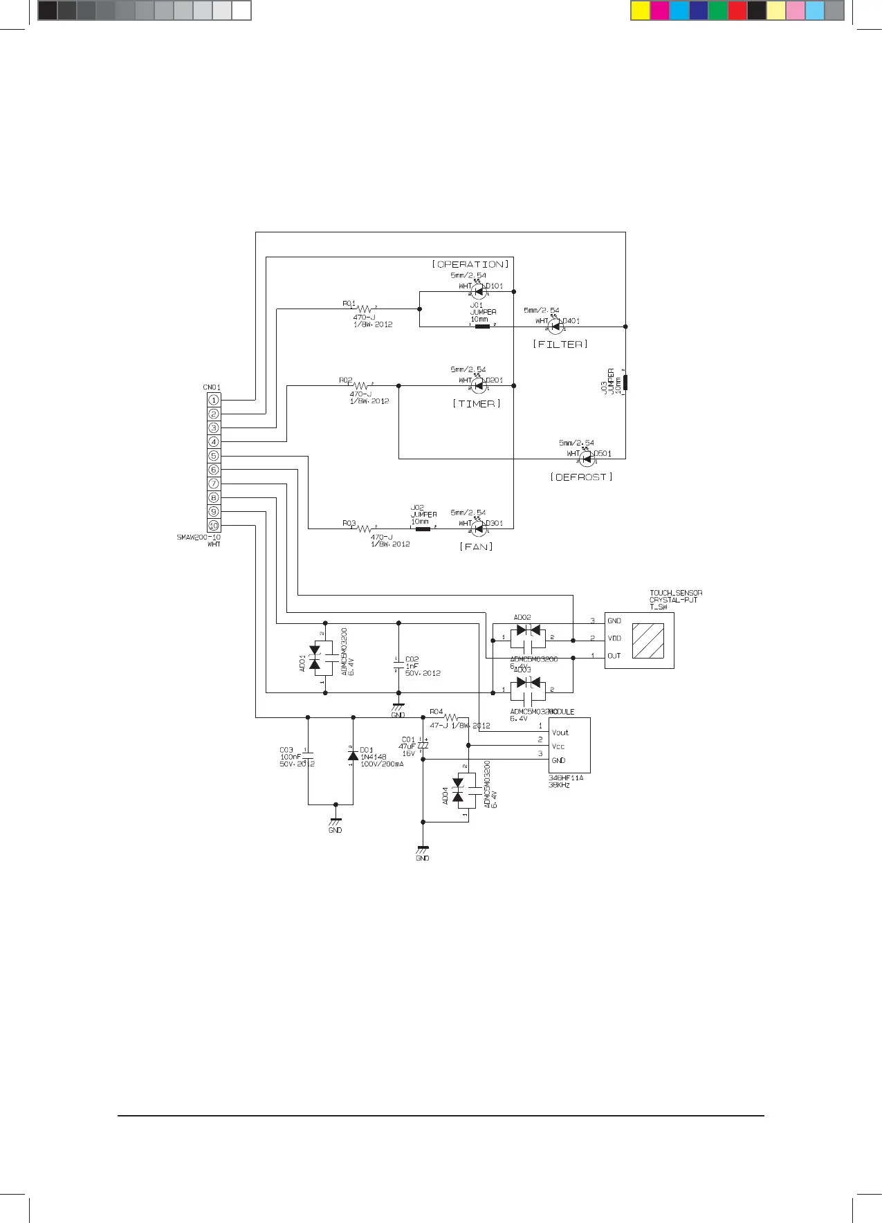
Schematic Diagram
Samsung Electronics8-13
Console type (cont.)
DISPLAY
This Document can not be used without Samsungs authorization.
$9;&6+B$BLQGG 

Table of Contents

Related product manuals