EasyManua.ls Logo

Samsung AVXTJH028EE - Mini 4 Way Cassette Type

Samsung AVXTJH028EE
508 pages
Print Icon
To Next Page IconTo Next Page
To Next Page IconTo Next Page
To Previous Page IconTo Previous Page
To Previous Page IconTo Previous Page
Loading...
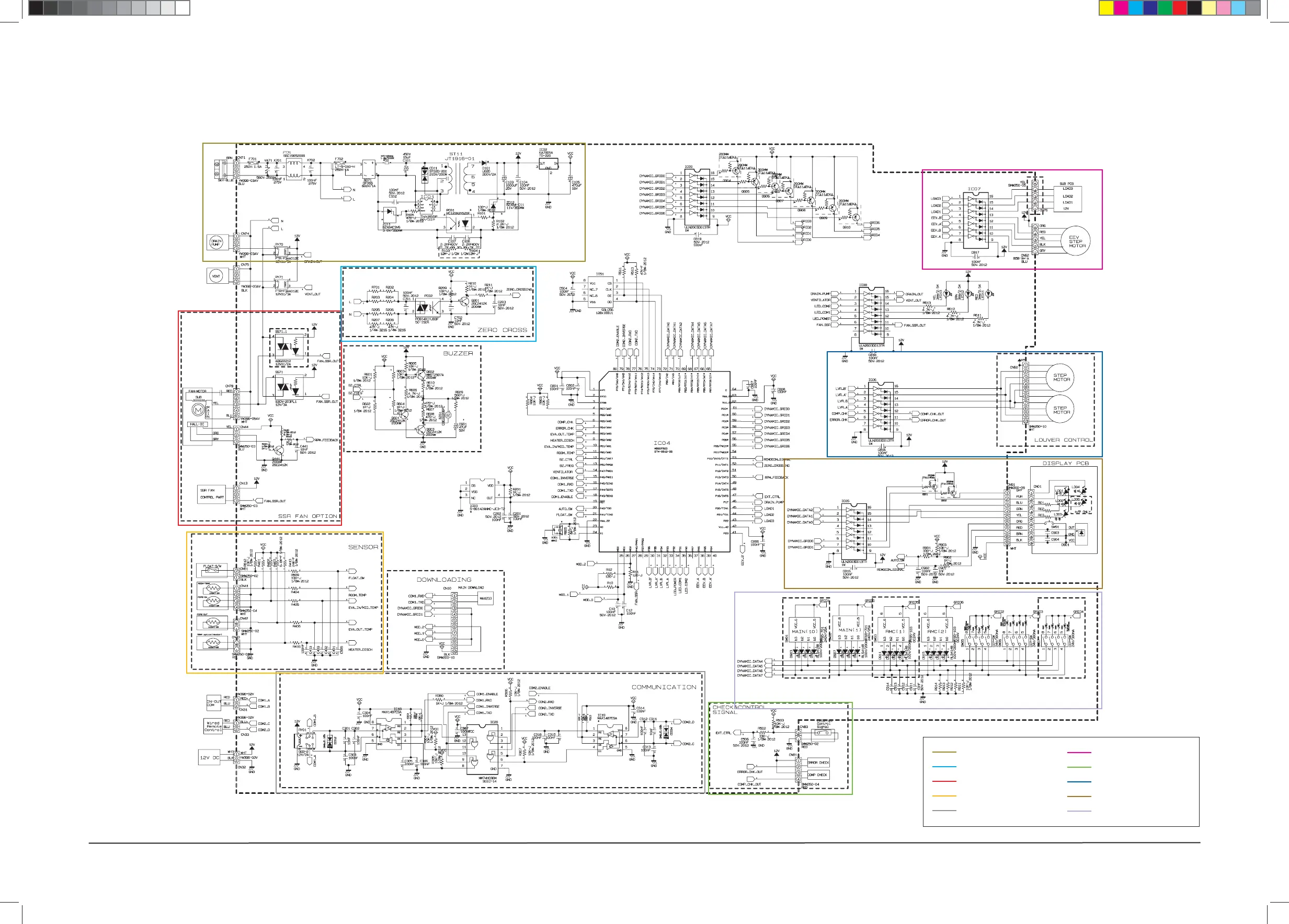
Schematic Diagram Schematic Diagram
8-1-4 Mini 4 way cassette type
SMPS Part
Zero Crossing Part
Motor Control Part
Temperature Sensor Part
Communication Part
EEV Control Part
External Control Part
Louver Control Part
Display Control Part
Address Setting Switch Part
This Document can not be used without Samsungs authorization.
Samsung Electronics 8-6
$9;&6+B$BLQGG 

Table of Contents

Related product manuals