EasyManua.ls Logo

Samsung AVXTJH028EE - DUCT Type(BIG)

Samsung AVXTJH028EE
508 pages
Print Icon
To Next Page IconTo Next Page
To Next Page IconTo Next Page
To Previous Page IconTo Previous Page
To Previous Page IconTo Previous Page
Loading...
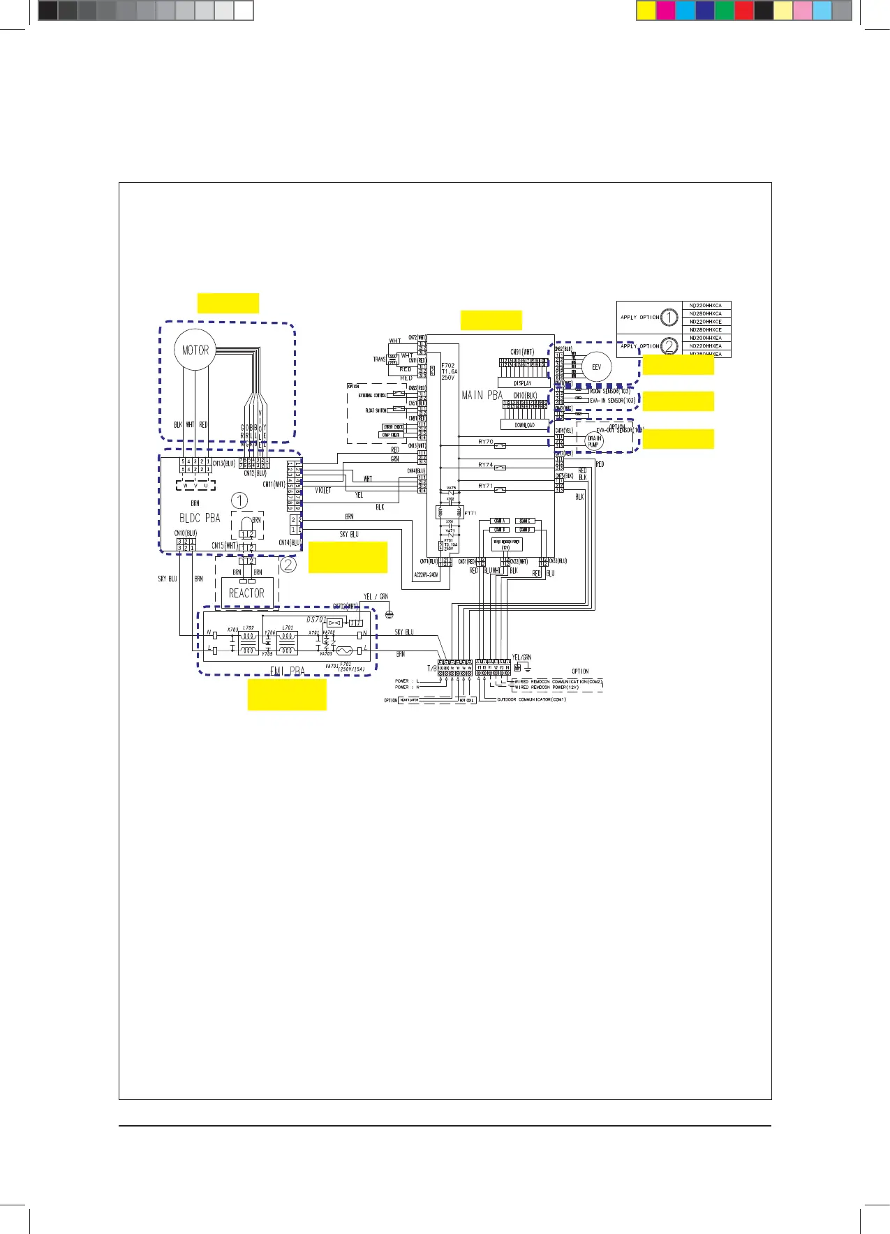
Wiring Diagram
Samsung Electronics 7-11
7-1-10 DUCT type(BIG)
Motor Part
Main PBA
EEV Control Part
Sensor Part
Sensor Part
BLDC PBA
(Motor Control)
EMI PBA
(Power Input)
This Document can not be used without Samsungs authorization.
$9;&6+B$BLQGG 

Table of Contents

Related product manuals