EasyManua.ls Logo

Samsung AVXTJH028EE - Page 486

Samsung AVXTJH028EE
508 pages
Print Icon
To Next Page IconTo Next Page
To Next Page IconTo Next Page
To Previous Page IconTo Previous Page
To Previous Page IconTo Previous Page
Loading...
Schematic Diagram Schematic Diagram
Samsung Electronics 8-21
This Document can not be used without Samsungs authorization.
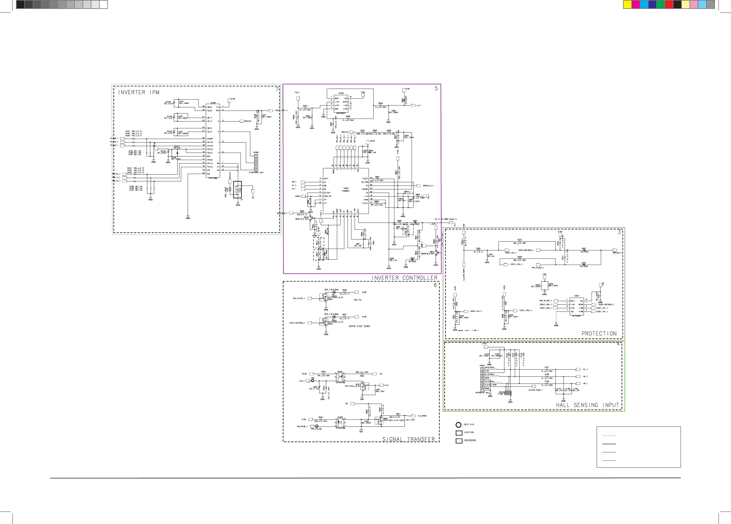
ASS'Y PCB SUB DRIVER (cont.)
IPM Input/Output part
Motor Control Part
Motor Hall Sensing Part
Motor Protect Part
$9;&6+B$BLQGG 

Table of Contents

Related product manuals