EasyManua.ls Logo

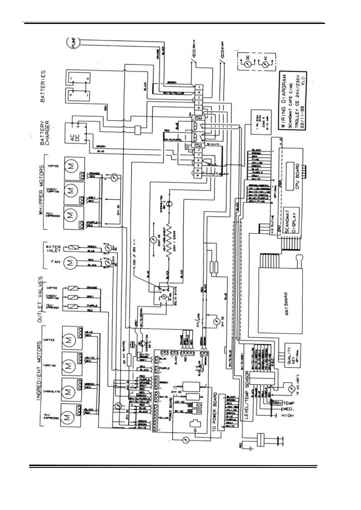
Scanomat TopBrewer - Wiring Diagram

Default Icon
36 pages
Print Icon
To Previous Page IconTo Previous Page
To Previous Page IconTo Previous Page
Loading...
Users manual Coffee on the Spot
Scanomat A/S Vibe Allé 3. Postboks 131 DK-2980 Kokkedal (Copenhagen) Reg.nr. 236.990
Tel: (+45) 49 18 18 00. Fax: (+45) 49 18 01 18
28

Other manuals for Scanomat TopBrewer

Related product manuals