EasyManua.ls Logo

Schlage AD400 - Wiring Pims to Galaxy DSI-485 Board

Schlage AD400
42 pages
Print Icon
To Next Page IconTo Next Page
To Next Page IconTo Next Page
To Previous Page IconTo Previous Page
To Previous Page IconTo Previous Page
Loading...
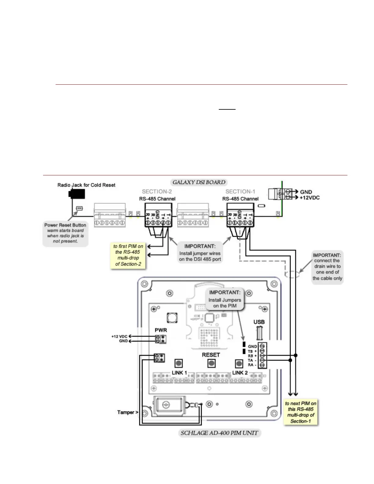
3.1.2 WIRING PIMS TO GALAXY DSI-485 BOARD
A 485 DSI board can have up to 16 doors on each RS-485 Section. There are two (2) RS-485 channels on a
DSI board. Multiple PIM-485 units can be connected in a daisy-chain fashion to the DSI 485 channel. See
Figure 25 on following page
.
IMPORTANT NOTES
You must install jumper wires on the Galaxy DSI ports [ T to R ] and [ T + to R + ]
You must also install the two black jumpers on every PIM unit (see diagram below).
Landing the wires from DSI T- to PIM R+ ; and DSI T+ to PIM T- ; use diagram below.
You must ground the shielding on for every segment of RS-485 cable on one end. The
following diagram shows shielding grounded on the controller end.
The PIM unit should be powered on a separate power supply.
Figure 7 – WIRING DSI 485-Channel to AD-400 PIM
System Galaxy Integration to Schlage AD400/AD300 Page 26

Table of Contents

Related product manuals