EasyManua.ls Logo

Seca 656 - Estructura del Menú

Seca 656
Print Icon
To Next Page IconTo Next Page
To Next Page IconTo Next Page
To Previous Page IconTo Previous Page
To Previous Page IconTo Previous Page
Loading...
Vista general • 219
Español
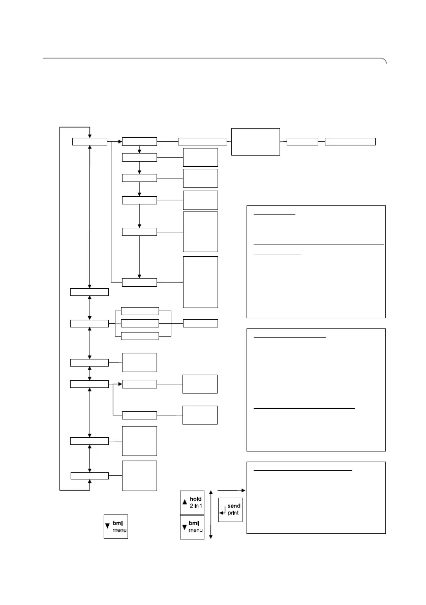
4.5 Estructura del menú
En el menú del aparato hay disponibles otras funcio-
nes. De este modo puede configurar el aparato de
forma óptima para los requisitos del uso que quiera
darle (detalles a partir de página 233).
Reg. Devices (Mo)*
Channel 1 (C1)*
Channel 2 (C2)
Channel 3 (C3)
StoprF Group (ID)*Learn
Autosend
on
off
Print
H
M
HM
Man
Time
Year
Month
Day
Hour
Minute
Reset
Autohold
on
off
Fil
0
1
2
Beep
on
off
on
off
Press
Hold
Unit
kg
lbs
sts
Erkannte Gete (Mo):
- 1: Personenwaage
- 2: Längenmessstab
- 3: Funkdrucker
- 4: PC mit USB-Funkmodul
- 7: Babywaage
Raum (ID):
Max. drei seca Funkräume: 0, 1, 2
Maximal-Konfiguration pro Funkraum:
- 1 Babywaage
- 1 Personenwaage
- 1 Längenmessstab
- 1 Funkdrucker
- 1 PC mit USB-Funkmodul
Kanal (C1, C2, C3):
-Drei Kale pro Funkraum ( insg. 9 Kanäle)
-Kanalzahlen: 0-99
-Jede Kanalzahl für nur jeweils einen Kanal
-Empfohlener Abstand: 30
Beispiel-Konfiguration:
- Raum 0: C1__0, C2_30, C3_60
- Raum 1: C1_10, C2_40, C3_70
- Raum 2: C1_20, C2_50, C3_80
(Hinweis: Im Display keine Leerzeichen)
Send
on
off
*Funknetzwerk seca 36 Wireless:
AClear
on
off
Sto 2 (Weight)
PT
Net Weight
Sto 1 (Weight)
Sto 3 (Weight)
Me aufrufen:
Navigation:
Navegación:
Acceder al menú:
*Red inalámbrica seca 360°
wireless
:
Grupo (ID):
Máx. tres grupos inalámbricos seca:
0, 1, 2
Configuración máxima por grupo
inalámbrico:
- 1 báscula para bebés
- 1 báscula para personas
-1 metro para longitudes
- 1 impresora inalámbrica
- 1 PC con adaptador USB
inalámbrico
Canal (C1, C2, C3):
- Tres canales por grupo inalám-
brico (en total 9 canales)
- Números de los canales: 0-99
- Utilizar una sola vez cada
número del canal
- Distancia recomendada: 30
Ejemplo de configuración:
- Grupo 0: C1 0, C2 30, C3 60
- Grupo 1: C1 10, C2 40, C3 70
- Grupo 2: C1 20, C2 50, C3 80
(Nota: sin espacios vacíos en el visor)
Aparato reconocido (Mo):
- 1: Báscula para personas
- 2: Metro de longitudes
- 3: Impresora inalámbrica
- 4: PC con adaptador USB
inalámbrico
- 7: Báscula para bebés

Table of Contents

Related product manuals