EasyManua.ls Logo

Securlift Secur3 - Preliminary Test

Securlift Secur3
70 pages
Print Icon
To Next Page IconTo Next Page
To Next Page IconTo Next Page
To Previous Page IconTo Previous Page
To Previous Page IconTo Previous Page
Loading...
follows: IM_SEC3_02.01_en.docx
20/70
Preliminary test
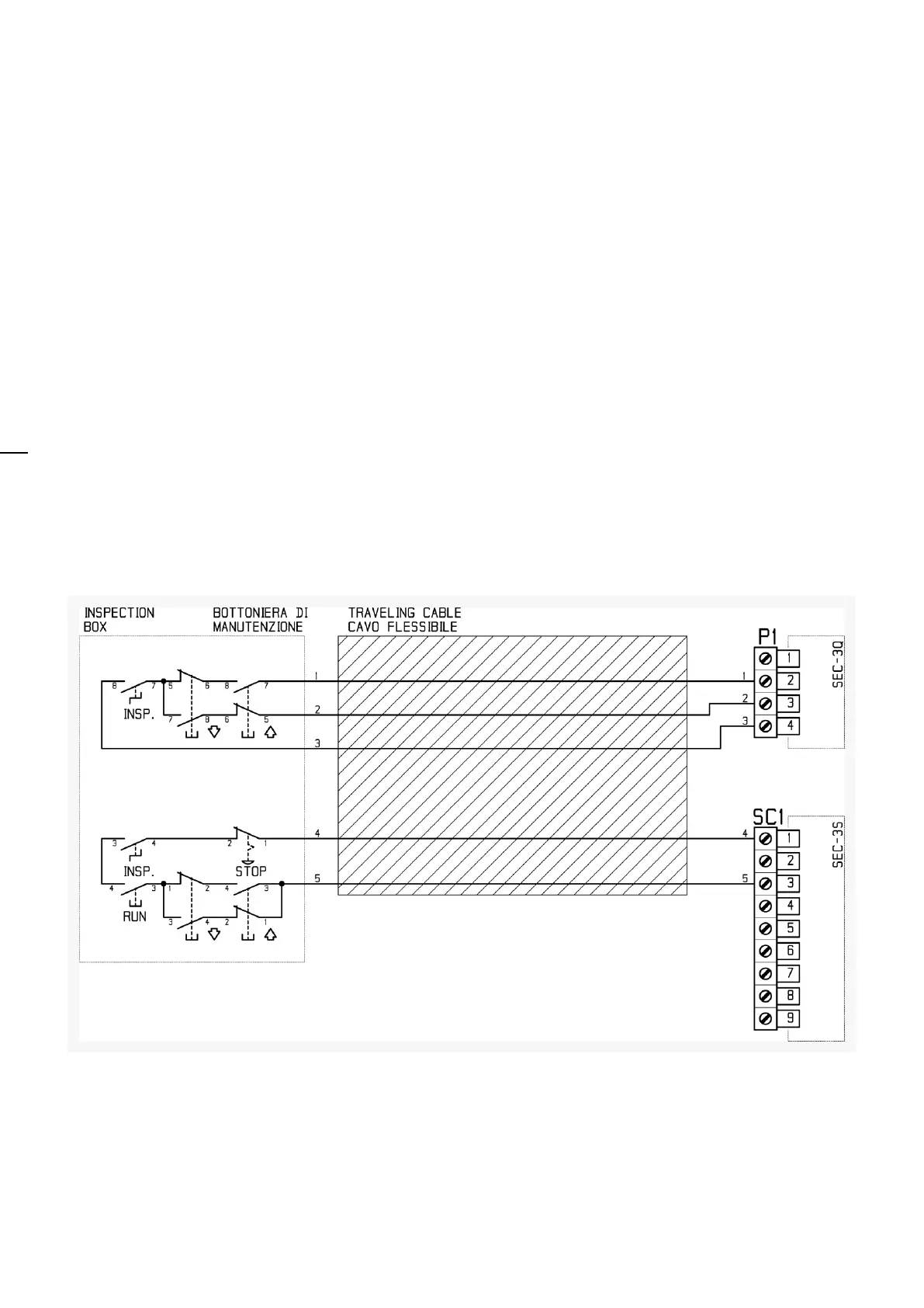
In order to perform preliminary test a TEMPORARY command box has to be connected to controller,
strictly following the below diagram.
! DO NOT USE THE PRE-WIRED INSPECTION BOX DELIVERED WITH THE CONTROLLER !
Do not install the car roof box (board SEC-3C)
Referring to installation electric drawings, connect following circuits:
a) Mains supply - terminals M1,M2,M3 (ref. page 1)
b) Motor supply terminals M4,M5,M6 (U,V,W ref. page 1)
c) Brake supply (if traction lift) terminals 50 e 51 (ref. page 4), or BR+ e BR- (ref. page 22)
d) Valves supply (if hydraulic lift) (ref. page 4)
e) temporary command box, by a suitable travelling cable
ATTENTION: do not use the pre-wired inspection box
f) motor thermal protection (ref. page 1)
g) all the ground/earth connections to all devices
h) bridge out connection related to non-existing devices (ref. page 3)
i) remove wire between P1/1 P1/4 on controller board (SEC-3Q)
Following verifications has to be performed:
j) check all supply voltages
k) check that controller display shows RECALL
l) check that safety circuit led’s on board SEC-3S (SUPPLY, SHAFT, CAR , SWING DOORS, CAR DOORS,
LOCKS) are lit while pressing RUN and UP or DOWN buttons on the command box.
ATTENTION
After the preliminary test is finished, restore all connection to the original condition,
carefully checking the safety circuit.