EasyManua.ls Logo

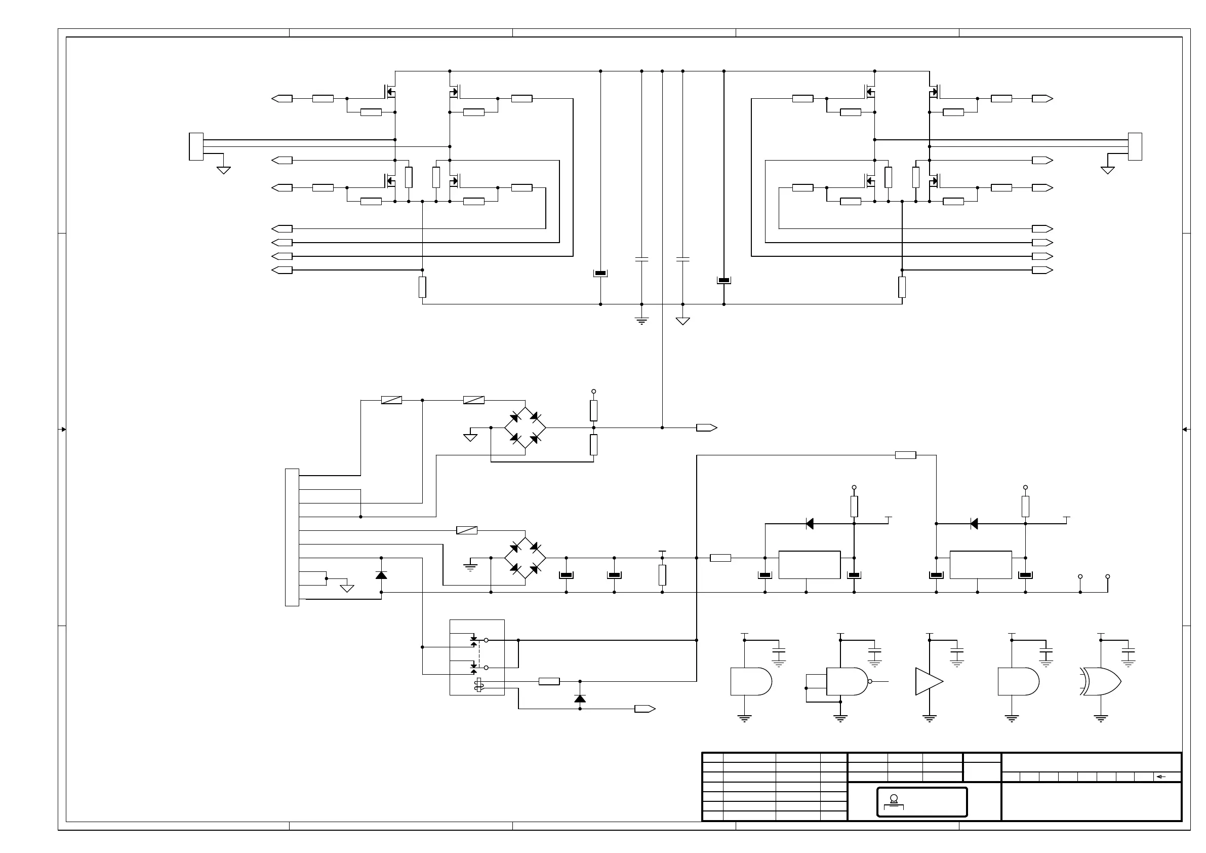
Sedecal X - A3194-03 Motorized Board Logic Schematic

Sedecal X
100 pages
Print Icon
To Next Page IconTo Next Page
To Next Page IconTo Next Page
To Previous Page IconTo Previous Page
To Previous Page IconTo Previous Page
Loading...
A
A
B
B
C
C
D
D
E
E
4 4
3 3
2 2
1 1
25V35V35V 35V 2w
2w
7
8
1
2
4
5
6
3
50V
50V
2w
0 VAC
24 VAC
20 VAC
ROTATION LOCK
24 VAC COLL.
0 VAC COLL.
Q1 TO Q4
ARE MOSFET
STP16NE06FP
Q5 TO Q8
ARE MOSFET
STP16NE06FP
25V
GND
0 VAC
35V
4w
4w
4w
4w
Optima URS Motorized
A3194-03
1/3
07/07/03F.GARCIA
07/07/03A.DIAZ
A
B
C
D
board validated
CN 08/365
CN 09/339
CN 10/512
F. García
F. García
F. Díaz
S.Pérez
16/01/04
05/12/08
24/11/09
27/12/10
B
C
D A
REV DESCRIPTION ISSUED BY DATE
DRAWING
REVISED
NAME DATE SHEET / OF
REV
SEDECAL
+12V +5V
+24V
+5V+5V +5V +5V+5V
C1
2200uF
R3
10K
C23
0.1
Q1
R10
100
-
+
FB1002L
CR9
Q3
F3
T 6A
C31
0.1
Q2
Q4
C24
0.1
U6B
74HCT00
4
5
6
147
R21
0.15
R4
100
C51
2200uF
TS1
1
2
3
4
5
6
7
8
9
10
U7A
74HCT14
147
R5
10K
R8
10K
R58
160
U9A
74HC86
147
CR11
1N4007
TS3
HEIGHT MOTOR
1
2
3
F2
T 6,25A
-
+
FB1002L
CR8
R59
2K7
U8A
74HCT08
147
U5A
74HCT08
147
R25
2K7
F1
T 6,25A
+30V
TP3
R26
1K
CR10
1N5408
CR6
1N4007
GND
TP7
R56
100
CR7
1N4007
C34
470uF
REG2
LM7805
VIN
GND
VOUT
+12V
TP5
R60
1K
C3
2200uF
R57
160
TS2
SID MOTOR
1
2
3
+5V
TP6
C35
470uF
Q8
C33
470uF
K1
ROT
GND
TP4
Q7
REG1
LM7812
VIN
GND
VOUT
R2
100
R18
10K
R61
1K
R1
10K
R23
0.15
Q5
C2
0.1
Q6
R15
10K
C4
0.1
R17
100
C52
2200uF
R16
10K
R12
100
R11
10K
R19
10K
C32
470uF
R13
10K
R7
100
R20
100
C22
0.1
R14
100
R6
10K
C21
0.1
R9
10K
H-BHS
H-I LIMIT
H-BLO
H-AHS
H-BHO
H-ALO
H-AHO
S-ALO
S-AHS
S-AHO
S-BLO
S-BHS
S-BHO
S-I LIMIT
ROTATE
+30 VDC

Related product manuals