EasyManua.ls Logo

Sedecal X - Page 83

Sedecal X
100 pages
Print Icon
To Next Page IconTo Next Page
To Next Page IconTo Next Page
To Previous Page IconTo Previous Page
To Previous Page IconTo Previous Page
Loading...
A
A
B
B
C
C
D
D
E
E
4 4
3 3
2 2
1 1
f=20KHz
f=20KHz
UNDERTABLE LOCK SW
VERT. POS. SW
INPUTS TO U10 AS
CIRCUITRY ABOVE
(SEE SHEET 3)
SID 100 SW
UPPER LOCK SW
SID 200 SW
SID 180 SW
LOWER LOCK SW
SW COMM
BUTTON COMM
LAMP COMM
DECREASE SID LAMP
DECREASE SID
SID 100 LAMP
SID 200 LAMP
HEIGHT UP LAMP
ROTATE ARM
HEIGHT UP
HEIGHT DOWN LAMP
HEIGHT DOWN
INCREASE SID LAMP
INCREASE SID
SID 180 LAMP
UNDERTABLE LOCK LAMP
HEIGHT UP
HEIGHT DOWN
INCREASE SID
DECREASE SID
ROTATE ARM
(SEE SHEET 1)
UP
INCREASE
DOWN
SID INH
HEIGHT INH
DECREASE
ROTATE
HEIGHT DOWN
INCREASE SID
DECREASE SID
ROTATE ARM
HEIGHT UP
CCW IN
CW IN
CCW OUT
CW OUT
H DET SW
SPARE
SPARE
(SEE SHEET 3)
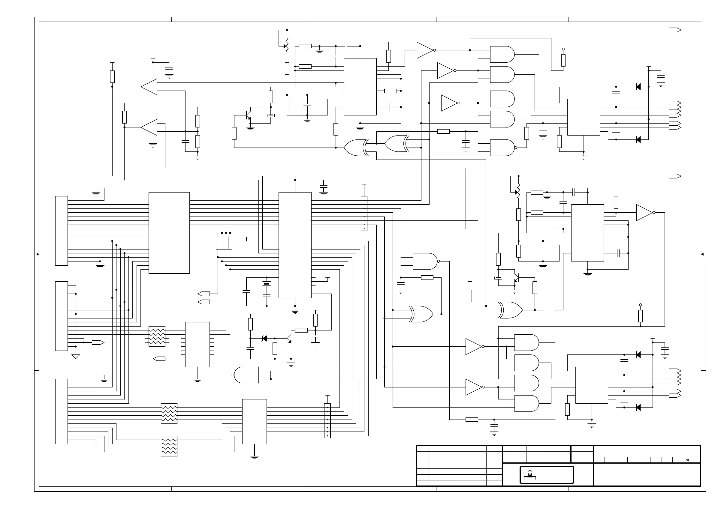
Optima URS Motorized
A3194-03
2/3
07/07/03F.GARCIA
07/07/03A.DIAZ
A
B
C
D
board validated
CN 08/365
CN 09/339
CN 10/512
F. García
F. García
F. Díaz
S.Pérez
16/01/04
05/12/08
24/11/09
27/12/10
B
C
D A
REV DESCRIPTION ISSUED BY DATE
DRAWING
REVISED
NAME DATE SHEET / OF
REV
SEDECAL
+12V
+5V
+12V
+5V
+12V
+12V
+12V
+12V
+12V
+5V
+5V
+5V
+5V
+5V
+5V
+5V
+5V
+5V
+5V
RP4
22
12
34
56
78
U5A
74HCT08
1
2
3
C10
10nF
R66
5K
U5D
74HCT08
12
13
11
R37
6K81
C15
100nF
U7A
74HCT14
1 2
C19
100nF
R62
3K32
C9
3.3nF
+
C20
100uF
C6
1uF
C14
100nF
R36
1K65
U7C
74HCT14
5 6
R54
47.5
C28
100nF
R35
10K
R27
10K
C11
1uF
U8C
74HCT08
9
10
8
CR5
BZX55C8V2
U8B
74HCT08
4
5
6
U3
UC3524A
16
4
1
10
6
2
5 3
14
12
158
13
11
7
9
Vref
CL+
IN-
S.D.
RT
IN+
CL- Osc
EB
CA
VINGND
CB
EA
CT
Comp
C7
3.3nF
R49
1K5
U1
HIP4082
1
2
3
4
5
13
7
8
14
16
15
12
6
10
9
11
BHB
BHI
BLI
ALI
DEL
ALO
AHI
DIS
BLO
BHO
BHS
VDD
VSS
AH0
AHB
AHS
CR3
MUR120
SID PULSE
TP2
R44
4K99
U8A
74HCT08
1
2
3
CR4
MUR120
U8D
74HCT08
12
13
11
C12
1uF
R67
5K
Q9
2N4401
Q12
2N4401
XT1
12MHz
U9A
74HC86
1
2
3
R53
10K
C29
33pF
R28
100R
U13
ULN2803
18
17
15
16
14
13
12
11
1
2
3
4
5
6
7
8
9
Q1
Q2
Q4
Q3
Q5
Q6
Q7
Q8
I1
I2
I3
I4
I5
I6
I7
I8
GND
CR1
MUR120
R30
10K
R51
10K
U4
HIP4082
1
2
3
4
5
13
7
8
14
16
15
12
6
10
9
11
BHB
BHI
BLI
ALI
DEL
ALO
AHI
DIS
BLO
BHO
BHS
VDD
VSS
AH0
AHB
AHS
U6C
74HCT00
9
10
8
R48
1K
R38
10K
C16
100nF
+
-
U12A
LM393
3
2
1
4
C25
2.2uF
R64
5K62
R42
10K
J1
1
2
3
4
5
6
7
8
9
10
11
12
13
14
15
+
-
U12B
LM393
5
6
7
8
R55
4K99
C30
33pF
R50
10K
C36
220nF
1
2
3
4
5
6
7
8
9
RP11
10K
U2
UC3524A
16
4
1
10
6
2
5 3
14
12
158
13
11
7
9
Vref
CL+
IN-
S.D.
RT
IN+
CL- Osc
EB
CA
VINGND
CB
EA
CT
Comp
HEIGHT PULSE
TP1
R33
100R
U7B
74HCT14
3 4
R39
1K
C38
1nF
C27
10nF
R40
4K99
U6A
74HCT00
1
2
3
1
2
3
4
5
6
7
8
9
RP1
10K
R24
2K21
R41
4K99
R63
3K32
U9B
74HC86
4
5
6
R31
909
C26
10nF
R65
909
R34
2K21
Q11
2N4401
R22
2K21
+
C18
100uF
J3
1
2
3
4
5
6
7
8
9
10
11
12
13
14
15
16
C8
10nF
3
4
CR2
MUR120
C37
1nF
U7E
74HCT14
11 10
5
6
RP2
22
12
34
56
78
R52
1K5
R29
2K21
C5
1uF
7
8
U7F
74HCT14
13 12
U5C
74HCT08
9
10
8
C13
100nF
U9C
74HC86
9
10
8
R46
10K
U9D
74HC86
12
13
11
RP3
22
12
34
56
78
C53
100nF
R45
4K99
R43
2K21
U7D
74HCT14
9 8
J2
1
2
3
4
5
6
7
8
9
10
11
12
13
14
15
16
U11
ULN2803
18
17
15
16
14
13
12
11
1
2
3
4
5
6
7
8
9
Q1
Q2
Q4
Q3
Q5
Q6
Q7
Q8
I1
I2
I3
I4
I5
I6
I7
I8
GND
U10
AT89C55
1
2
4
5
6
7
8
10
11
12
13
14
15
16
17
3
19
31
18
9
39
38
37
36
35
34
33
32
21
22
23
24
25
26
27
28
4020
30
29
P1.0
P1.1
P1.3
P1.4
P1.5
P1.6
P1.7
P3.0
P3.1
P3.2
P3.3
P3.4
P3.5
P3.6
P3.7
P1.2
XTAL1
EA
XTAL2
RST
P0.0
P0.1
P0.2
P0.3
P0.4
P0.5
P0.6
P0.7
P2.0
P2.1
P2.2
P2.3
P2.4
P2.5
P2.6
P2.7
VCCGND
ALE
PSEN
C54
100nF
R32
6K81
U6D
74HCT00
12
13
11
RP12
10K
1
2
R47
2K21
C17
100nF
U5B
74HCT08
4
5
6
S-BHO
S-BLO
S-BHS
S-ALO
S-AHS
S-AHO
H-BHO
H-BLO
H-BHS
H-ALO
H-AHS
H-AHO
H-I LIMIT
S-I LIMIT
+30 VDC
ROTATE
CS2
CS1

Related product manuals