EasyManua.ls Logo

Sedecal X - Page 95

Sedecal X
100 pages
Print Icon
To Next Page IconTo Next Page
To Next Page IconTo Next Page
To Previous Page IconTo Previous Page
To Previous Page IconTo Previous Page
Loading...
SEDECAL
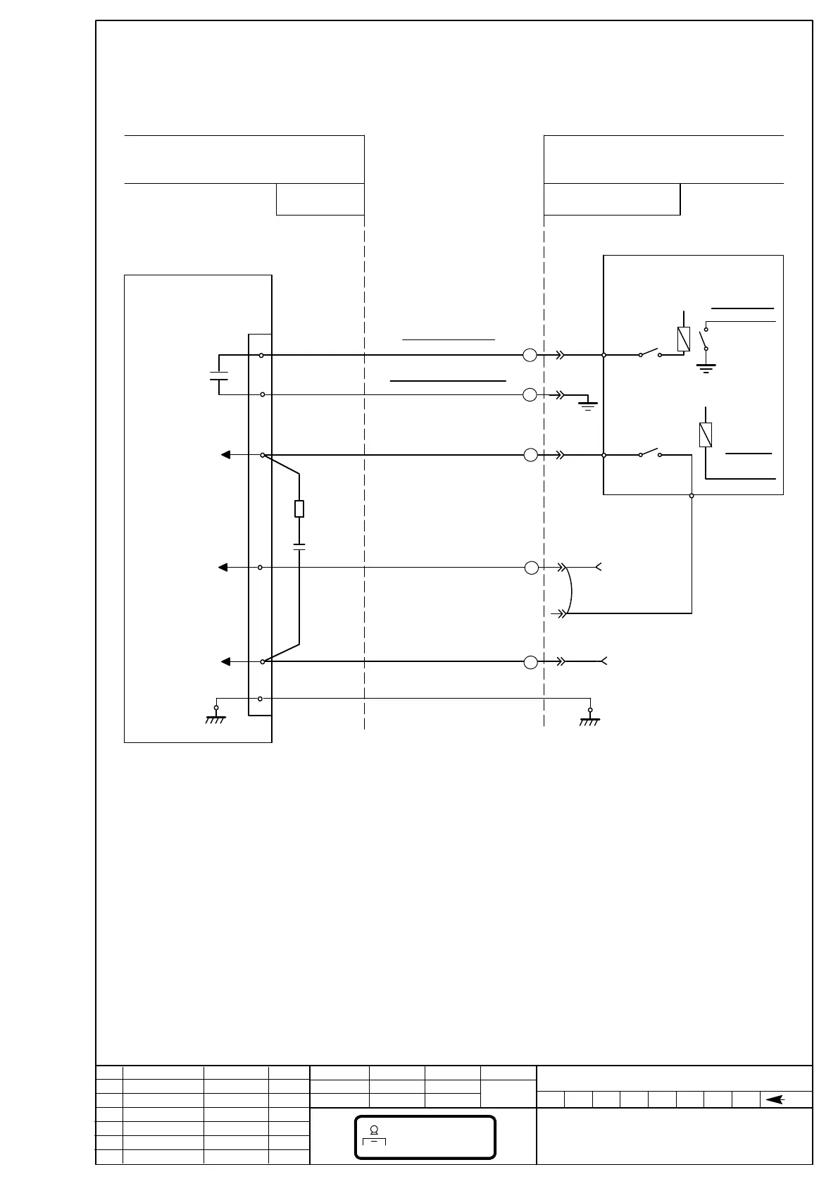
US X--RAY BUCKY INTERFACE
I/F--045
Interconnection Cable
NAME DATE
DRAWING
REVISED
SHEET / OF
AREV
F. GARCIA 08/08/01
2/2
A. DIAZ 08/08/01
REV DESCRIPTION ISSUED BY DATE
Cable de Inerconexión
TS1--12
BUCKY 2 MOTION
INTERFACE PANEL
GENERATOR POWER MODULEVERTICAL BUCKY
TS1--13
BUCKY 2 MOTION RTN
TS1--11
BUCKY 2 DR
Interface Control Board
+24 VDC
K3
BUCKY EXP
+24 VDC
BUCKY 2
DR CMD
K4
K4
K4
J4--10
J4 --7
TS1--10
220 VAC
0VAC
J4 --9
B2
B1
B3
B8
B4
EXP INT
BUCKY START
Bucky
BUCKY SPLY
TS1--9
ADD JUMPER
GND
0VAC
NOTA :
NOTE :
TS1--26
C2
R2
SEE
NOTE
En caso de ruidos debido al Bucky, añadir R2=22 ohm, 1/2w, 5%, y
C2=470 nF, 250 VAC según se muestra.
In the c ase of noise due to Bucky, add R2=22 ohm, 1/2w, 5%; and
C2=470 nF, 250 VAC as shown.
US X--RAY
220 VAC
B6
4
2
1
7
8
A Interf bd. revised
F. G a r cí a
14/03/08

Related product manuals