EasyManua.ls Logo

Seoho Electric SOHO PS - Wiring Diagram

Default Icon
53 pages
Print Icon
To Next Page IconTo Next Page
To Next Page IconTo Next Page
To Previous Page IconTo Previous Page
To Previous Page IconTo Previous Page
Loading...
SOHO Power Supply
10
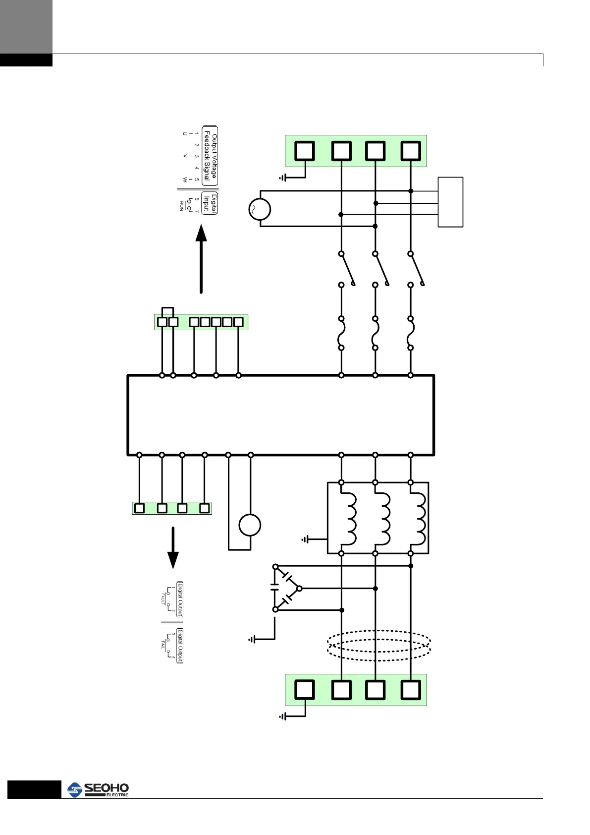
3.3 Wiring Diagram
V
A
L1
L2
L3
MCCB
F1
F2
F3
L1
L2
L3
U
V
W
CT30A -1
CT30A -4
CT30A -7
C/B -7
C/B -11
-
C/B -18
C/B -21
C/B -23
C/B -24
C/B -26
+
C/B -17
U
V
W
1
2
3
4
5
6
7
1
2
3
4
L1 L2 L3
FC20B
Figure 3.2 Wiring Diagram