EasyManua.ls Logo

Servend SV-200 SCI - Control Logic Matrix - Flavor Magic

Servend SV-200 SCI
52 pages
Print Icon
To Next Page IconTo Next Page
To Next Page IconTo Next Page
To Previous Page IconTo Previous Page
To Previous Page IconTo Previous Page
Loading...
Section 3 Operation
Part Number 020003997 4/12 3-9
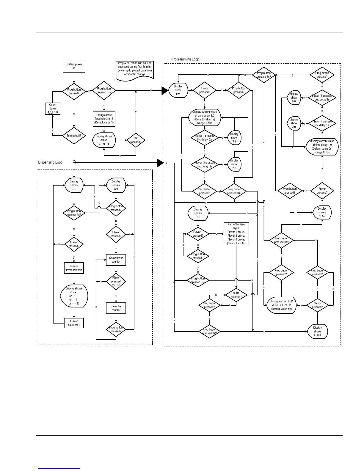
Control Logic Matrix - Flavor Magic

Table of Contents

Related product manuals