EasyManua.ls Logo

Shure SLX2 - Circuit Description; Audio Circuit Description

Shure SLX2
35 pages
Print Icon
To Next Page IconTo Next Page
To Next Page IconTo Next Page
To Previous Page IconTo Previous Page
To Previous Page IconTo Previous Page
Loading...
4
25A1090 (Rev.3)
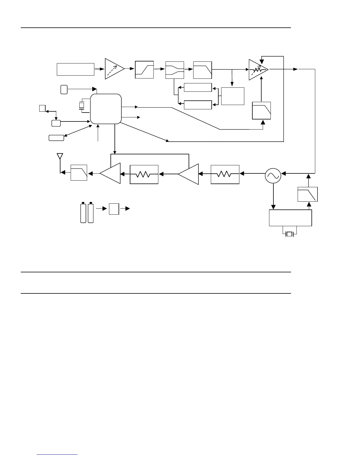
AUDIO/RF BLOCK DIAGRAM
CIRCUIT DESCRIPTION
AUDIO CIRCUIT DESCRIPTION
AUDIO SECTION
Audio enters the transmitter board through pin 4 of the mic-jack board connector (CON100).
Pin 2 of the connector provides 5 Vdc bias for the mic head. Pin 6 supplies the ground connec-
tion. The audio preamp (IC150-2) provides either 0 or 10 dB of gain (user switchable via
SW100). Capacitor C140 couples the signal into a pre-emphasis network formed by R140, R141,
and C141.
Next, the audio signal enters the patented Shure ARCâ„¢ processor. The main elements in this
section are the VCA (IC100-5) and the RMS Detector (IC100-4). The VCA, or Voltage Controlled
Amplifier, is a DC controlled amplifier. Following the VCA, the signal enters a 3-pole 17kHz low-
pass filter stage (IC100-2) that protects the RMS detector from energy above the audio band.
Next, the signal is coupled to the RMS detector (IC100-1), which converts it to a DC voltage. A
+1 dB increase at the input to the detector produces a +6 mV increase at its output. The detector
output is fed to the compression threshold stage (IC150-2). This stage provides the transition
from uncompressed to compressed signal. At low levels, the audio is uncompressed because
diode D169 is turned off. As the AC level increases, the output of IC150-2 decreases enough to
turn the diode on. As D190 conducts, the compression ratio changes from 1:1 to 5:1. Once D190
is turned fully on, the audio compression ratio remains fixed at 5:1. An additional diode in the bias
Audio Input
(mic head)
User Gain
Control Switch
Pre-
emphasis
RMS
Detector
Limiter
Compressor
VCA
2-pole,
17kHz,
LPF
Deviation Trim
and Tone Key
Sum Amp
Frequency
Synthesizer
16
MHz
RF
A
mp
LPF
Microcontroller
Frequency
Synthesizer
control
Channel
Select,
Power Mute
32.768
kHz
Tone Key
DC-DC
Co
nv
e
r
te
r
A
A Battery
Supply
+5V DC
Source
VCO (Carrier
Range)
Loop
Filter
RF
A
mp
Pad
RF Muting
0-4 dB (Band
dependent)
A
udio Muting
IR
Photodetector
LCD
Driver
EPROM
LCD
Pad
0-4 dB (Band
dependent)

Table of Contents

Related product manuals