EasyManua.ls Logo

Siemens 340 - Page 138

Siemens 340
174 pages
Print Icon
To Next Page IconTo Next Page
To Next Page IconTo Next Page
To Previous Page IconTo Previous Page
To Previous Page IconTo Previous Page
Loading...
Circuit diagrams
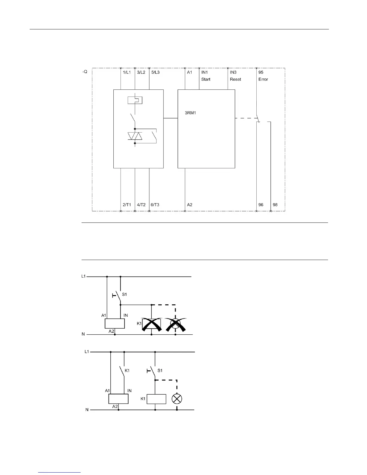
11.1 3RM10 circuit diagrams (direct-on-line starter, Standard)
SIRIUS 3RM1 motor starter
138 Manual, 11/2013, A5E0345285095020A/RS-AB/002
Versions with 110230 V AC; 110 V DC control supply voltage
Note
Parallel loads in the case of motor starters with product version E01
In the case of motor starters with product version E01, no parallel loads can be connected to
the IN terminal; see diagram below. This is admissible as of product version E02.

Table of Contents

Related product manuals