EasyManua.ls Logo

Siemens 340 - Direct-On-Line Starter 24 V DC with Switch Operation and 230 V Brake

Siemens 340
174 pages
Print Icon
To Next Page IconTo Next Page
To Next Page IconTo Next Page
To Previous Page IconTo Previous Page
To Previous Page IconTo Previous Page
Loading...
Typical circuits
A.1 Typical circuits for 3RM1 Standard
SIRIUS 3RM1 motor starter
144 Manual, 11/2013, A5E0345285095020A/RS-AB/002
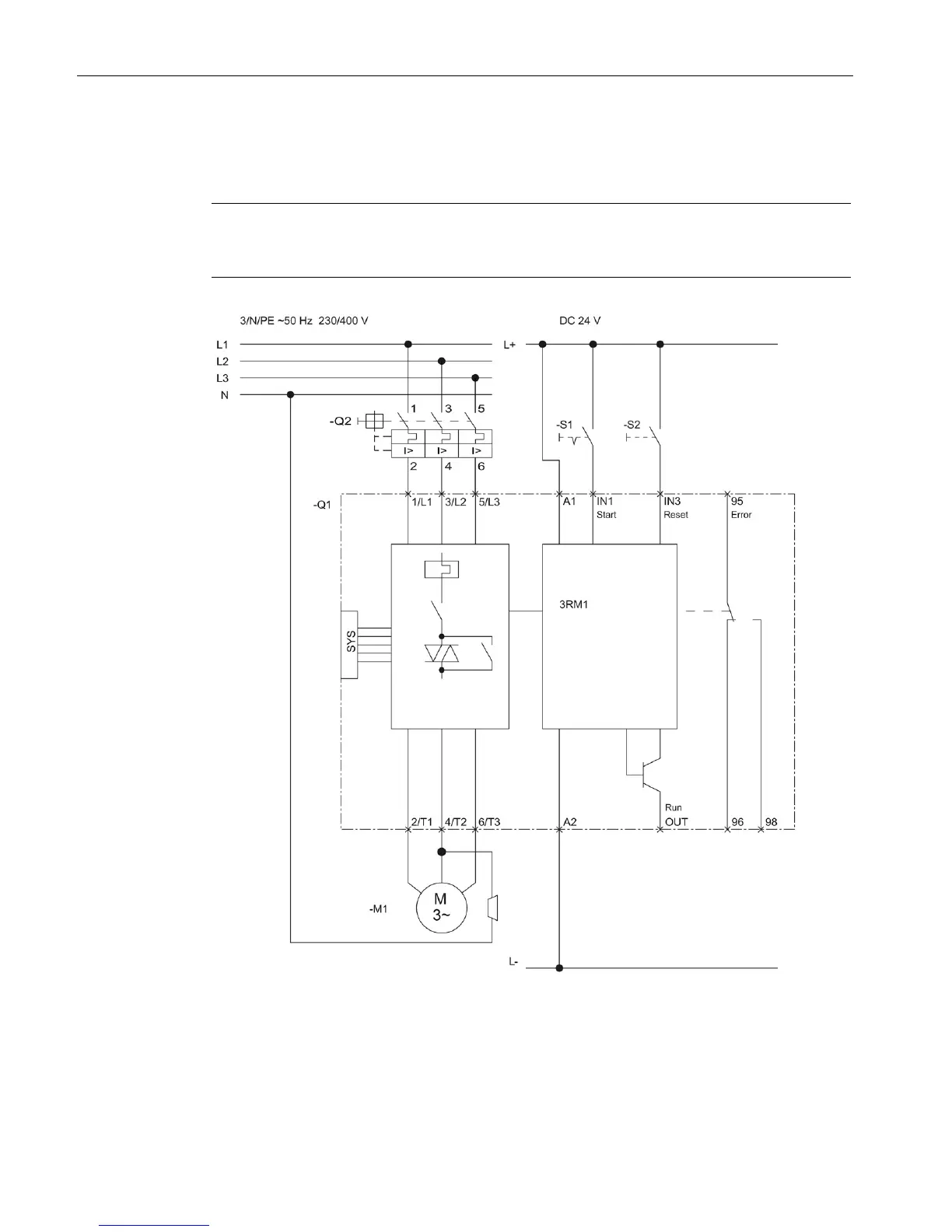
A.1.2
Direct-on-line starter 24 V DC with switch operation and 230 V brake
The current for the brake facility is drawn via only one phase. Connection is via T2.
Note
This operating mode is not suitable for 3RM11 Failsafe and 3RM13 Failsafe motor starters
since there is a connection to the neutral conductor.
-S1
ON
-S2
-Remote reset
Figure A-2 Direct-on-line starter 24 V DC with switch operation and 230 V brake

Table of Contents

Related product manuals