EasyManua.ls Logo

Siemens 340 - Direct-On-Line Starter 24 V DC with Switch Operation and 400 V Brake

Siemens 340
174 pages
Print Icon
To Next Page IconTo Next Page
To Next Page IconTo Next Page
To Previous Page IconTo Previous Page
To Previous Page IconTo Previous Page
Loading...
Typical circuits
A.1 Typical circuits for 3RM1 Standard
SIRIUS 3RM1 motor starter
Manual, 11/2013, A5E0345285095020A/RS-AB/002
145
A.1.3
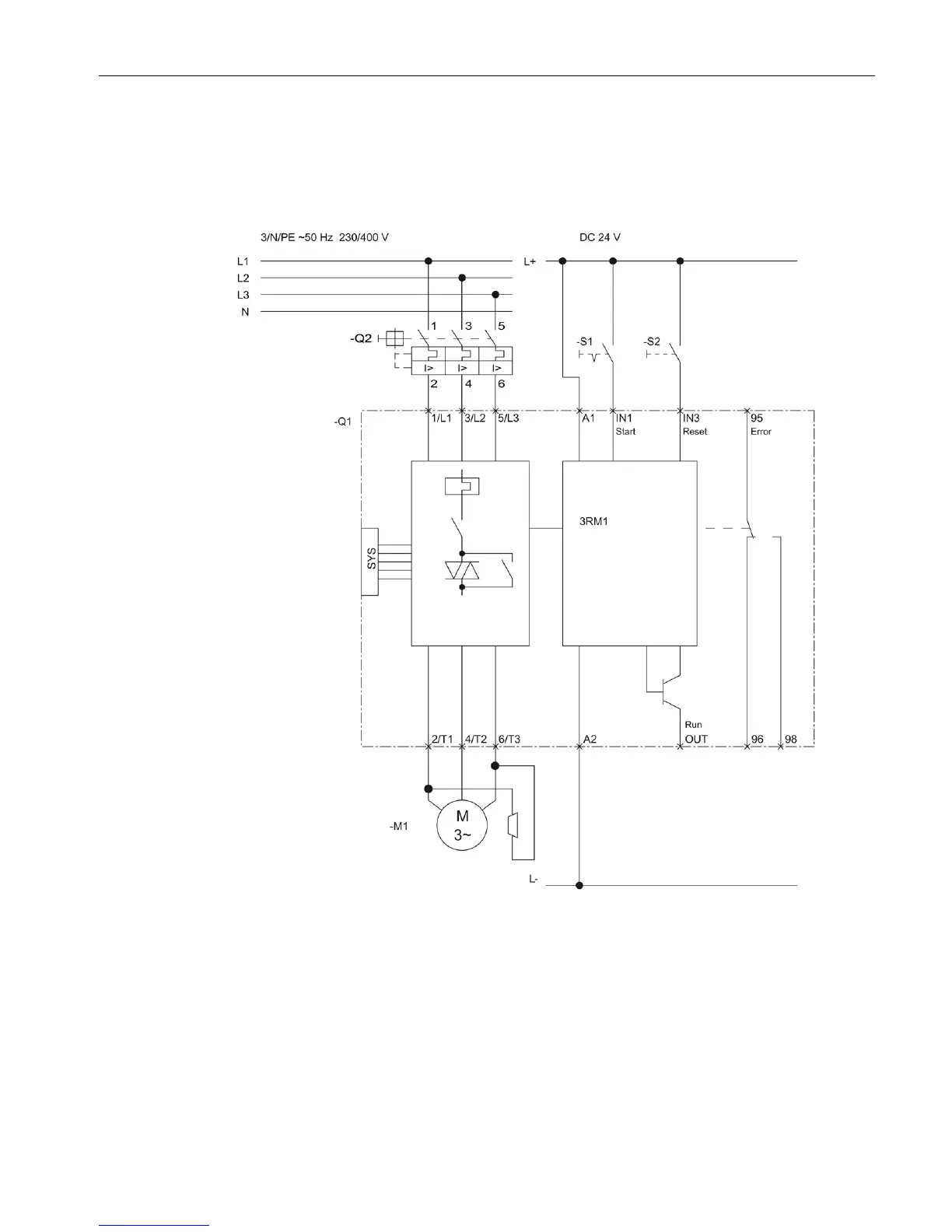
Direct-on-line starter 24 V DC with switch operation and 400 V brake
The current for the brake facility is drawn via two phases. Connection is via T1 and T3.
Make allowance for the additional current in the current setting value.
-S1
ON
-S2
Remote reset
Figure A-3 Direct-on-line starter 24 V DC with switch operation and 400 V brake

Table of Contents

Related product manuals