EasyManua.ls Logo

Siemens 7VK512

Siemens 7VK512
132 pages
To Next Page IconTo Next Page
To Next Page IconTo Next Page
To Previous Page IconTo Previous Page
To Previous Page IconTo Previous Page
Loading...
-ETHOD OF OPERATION6+
6
#
' #

-ETHOD OF OPERATION
 /PERATION OF COMPLETE UNIT
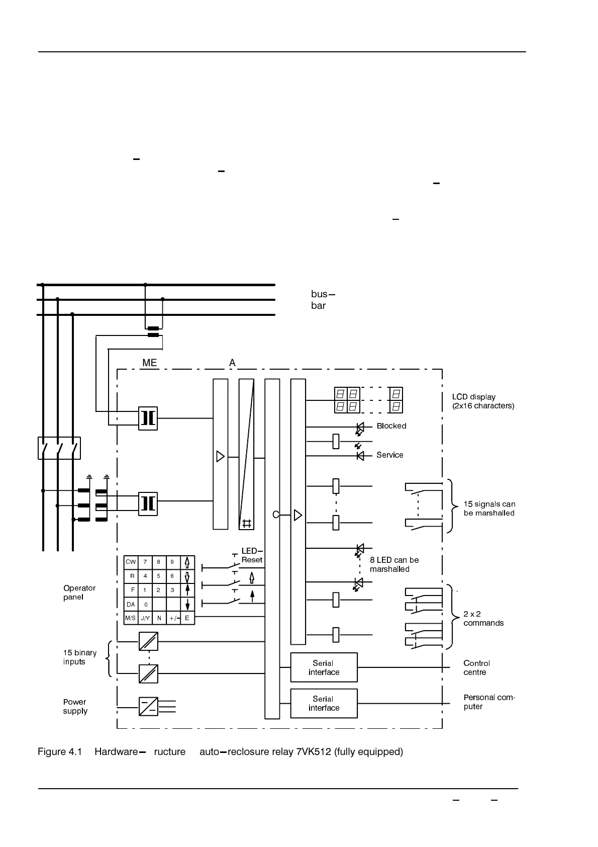
4HE NUMERICAL AUTO RECLOSURE RELAY 6+ IS
EQUIPPED WITH A POWERFUL AND PROVEN 
BIT MICRO
PROCESSOR 4HIS PROVIDES FULLY DIGITAL PROCESSING OF
ALL FUNCTIONS FROM DATA ACQUISITION OF INPUT VALUES TO
THE CLOSE SIGNALS FOR THE CIRCUIT BREAKER
&IGURE  SHOWS THE BASE STRUCTURE OF THE UNIT
4HE TRANSDUCERS OF THE MEASURED VALUE INPUT SEC
TION -% TRANSFORM THE VOLTAGES FROM THE MEASURE
MENT TRANSFORMERS OF THE SWITCH
GEAR MODELS WITH
SYNCHRONISM AND VOLTAGE CHECK AND MATCH THEM TO
THE INTERNAL PROCESSING LEVEL OF THE UNIT !PART FROM
THE GALVANIC AND LOW
CAPACITANCE ISOLATION PRO
VIDED BY THE INPUT TRANSFORMERS FILTERS ARE PROVIDED
-3
-% !%
¯
,
,
,
,%$
2ESET
#7
2
&
$!


|0
*9
. %
¿#
 SIGNALS CAN
BE MARSHALLED
,%$ CAN BE
MARSHALLED
X
COMMANDS
0ERSONAL COM
PUTER
/PERATOR
PANEL
 BINARY
INPUTS
0OWER
SUPPLY
3ERIAL
INTERFACE
"LOCKED
3ERVICE
#ONTROL
CENTRE
,#$ DISPLAY
X CHARACTERS
BUS
BAR
3ERIAL
INTERFACE
&IGURE  (ARDWARE STRUCTURE OF AUTO RECLOSURE RELAY 6+ FULLY EQUIPPED

Table of Contents

Related product manuals