EasyManua.ls Logo

Siemens 7VK512

Siemens 7VK512
132 pages
To Next Page IconTo Next Page
To Next Page IconTo Next Page
To Previous Page IconTo Previous Page
To Previous Page IconTo Previous Page
Loading...
-ETHOD OF OPERATION6+
6

#
' #
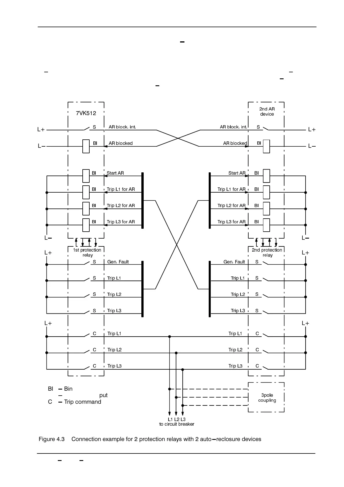
 4WO PROTECTION RELAYS WITH TWO AUTO RECLOSE DEVICES
)F A FEEDER IS EQUIPPED WITH DUPLICATED PROTECTION
AND EACH PROTECTION RELAY SHOULD CONTROL ITS OWN AU
TO
RECLOSE DEVICE CERTAIN EXCHANGE OF INFORMATION
IS NECESSARY BETWEEN THE TWO COMBINATIONS 4HIS IS
SHOWN AS AN EXAMPLE IN &IGURE  4HREE
POLE
COUPLING SHOULD BE ARRANGED WITH AN EXTERNAL COU
PLING UNIT WHICH INTERACTS DIRECTLY WITH THE CIRCUIT
BREAKER TRIP CIRCUITS 4HIS ENSURES THREE
POLE TRIP
PING UNDER ALL CIRCUMSTANCES OF MULTI
POLE FAULTS
'EN &AULT
4RIP ,
4RIP ,
4RIP ,
6+
,
,
,
,
,
,
,
,
,
,
ND !2
DEVICE
ND PROTECTION
RELAY
ST PROTECTION
RELAY
POLE
COUPLING
3
")
")
")
")
")
3
3
3
3
#
#
#
3
")
")
")
")
")
3
3
3
3
#
#
#
!2 BLOCK INT
!2 BLOCKED
!2 BLOCK INT
!2 BLOCKED
3TART !2
4RIP , FOR !2
4RIP , FOR !2
4RIP , FOR !2
3TART !2
4RIP , FOR !2
4RIP , FOR !2
4RIP , FOR !2
'EN &AULT
4RIP ,
4RIP ,
4RIP ,
4RIP ,
4RIP ,
4RIP ,
4RIP ,
4RIP ,
4RIP ,
, , ,
TO CIRCUIT BREAKER
") "INARY INPUT
3
3IGNALLING OUTPUT
#
4RIP COMMAND
&IGURE  #ONNECTION EXAMPLE FOR PROTECTION RELAYS WITH AUTO RECLOSURE DEVICES

Table of Contents

Related product manuals