EasyManua.ls Logo

Siemens SIMATIC ET 200S - Wiring Diagram of the EM 4 F-DO DC24 V;2 A Profisafe

Siemens SIMATIC ET 200S
228 pages
To Next Page IconTo Next Page
To Next Page IconTo Next Page
To Previous Page IconTo Previous Page
To Previous Page IconTo Previous Page
Loading...
Fail-Safe Modules
7.7 4 F-DO DC24V/2A PROFIsafe digital electronic module
ET 200S Distributed I/O System - Fail-Safe Modules
Installation and Operating Manual, 08/2008, A5E00103686-07
167
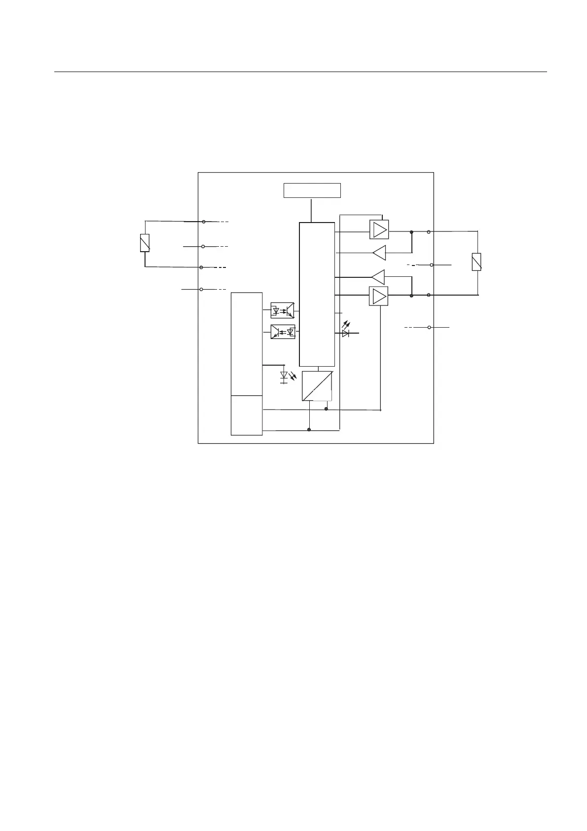
7.7.3 Wiring diagram of the EM 4 F-DO DC24V/2A PROFIsafe
Block Diagram
0

6)









3
3









0

9
9
$GGUHVVVZLWFK
3VZLWFK
5HDGEDFN
0
VZLWFKHV
6WDWXV
RIWKH
RXWSXW
%DFNSODQHEXVLQWHUIDFH
3URFHVVLQJORJLF
Figure 7-50 Block diagram of the EM 4 F-DO DC24V/2A PROFIsafe

Table of Contents

Other manuals for Siemens SIMATIC ET 200S

Related product manuals