EasyManua.ls Logo

Siemens SIRIUS 3RT2 - Page 72

Siemens SIRIUS 3RT2
84 pages
Print Icon
To Next Page IconTo Next Page
To Next Page IconTo Next Page
To Previous Page IconTo Previous Page
To Previous Page IconTo Previous Page
Loading...
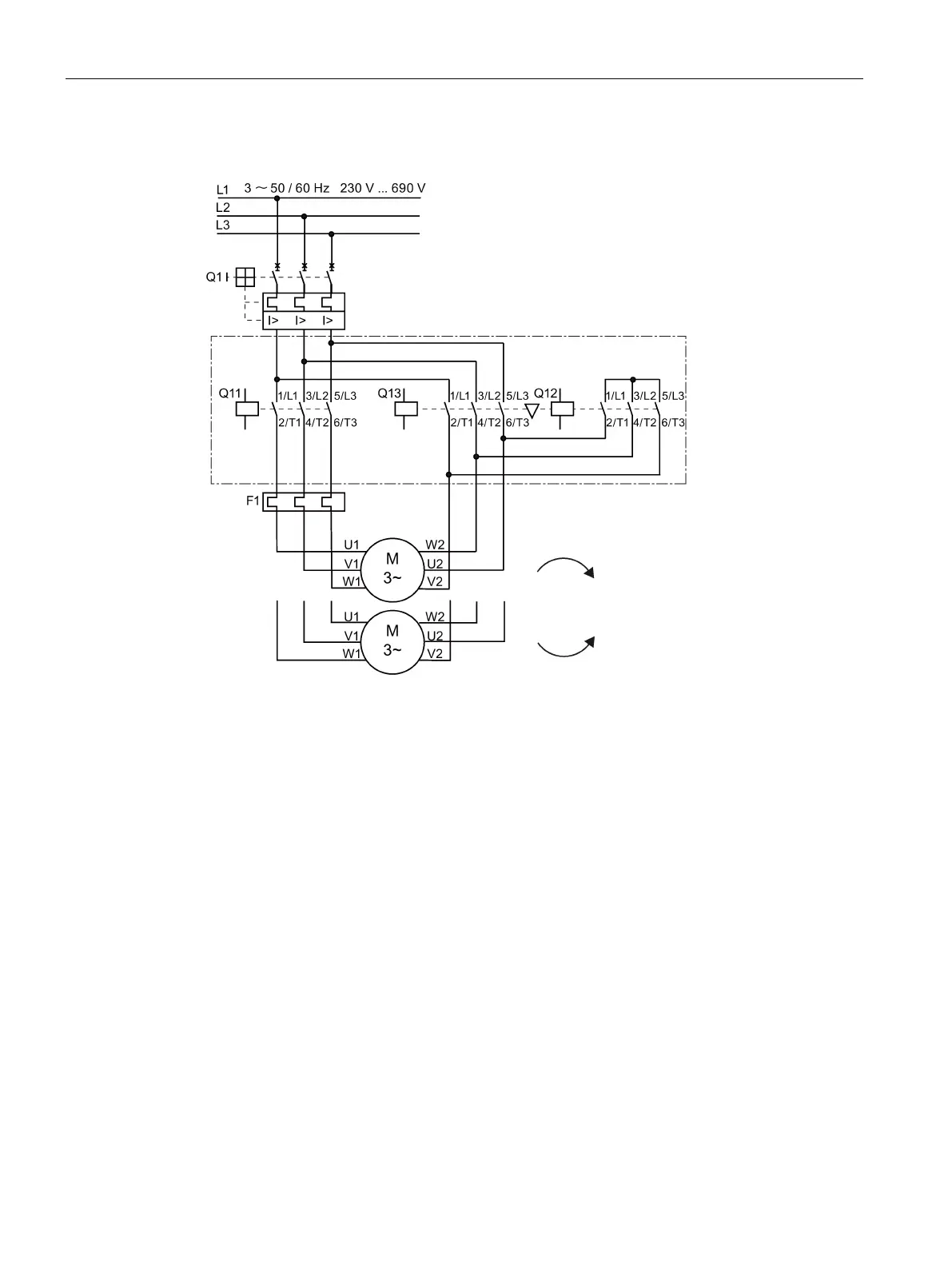
Circuit diagrams
12.3 Typical circuits
SIRIUS 3RA28 function modules for mounting on 3RT2 contactors
72 Manual, 02/2019, A5E03656507620A/RS-AD/005
Main circuit
Figure 12-3 Circuit diagram, main circuit

Table of Contents

Related product manuals