EasyManua.ls Logo

Skyjack SJ-7027 - Page 63

Skyjack SJ-7027
216 pages
Print Icon
To Next Page IconTo Next Page
To Next Page IconTo Next Page
To Previous Page IconTo Previous Page
To Previous Page IconTo Previous Page
Loading...
F
G
H
I
J
K
L
M
ABCDE
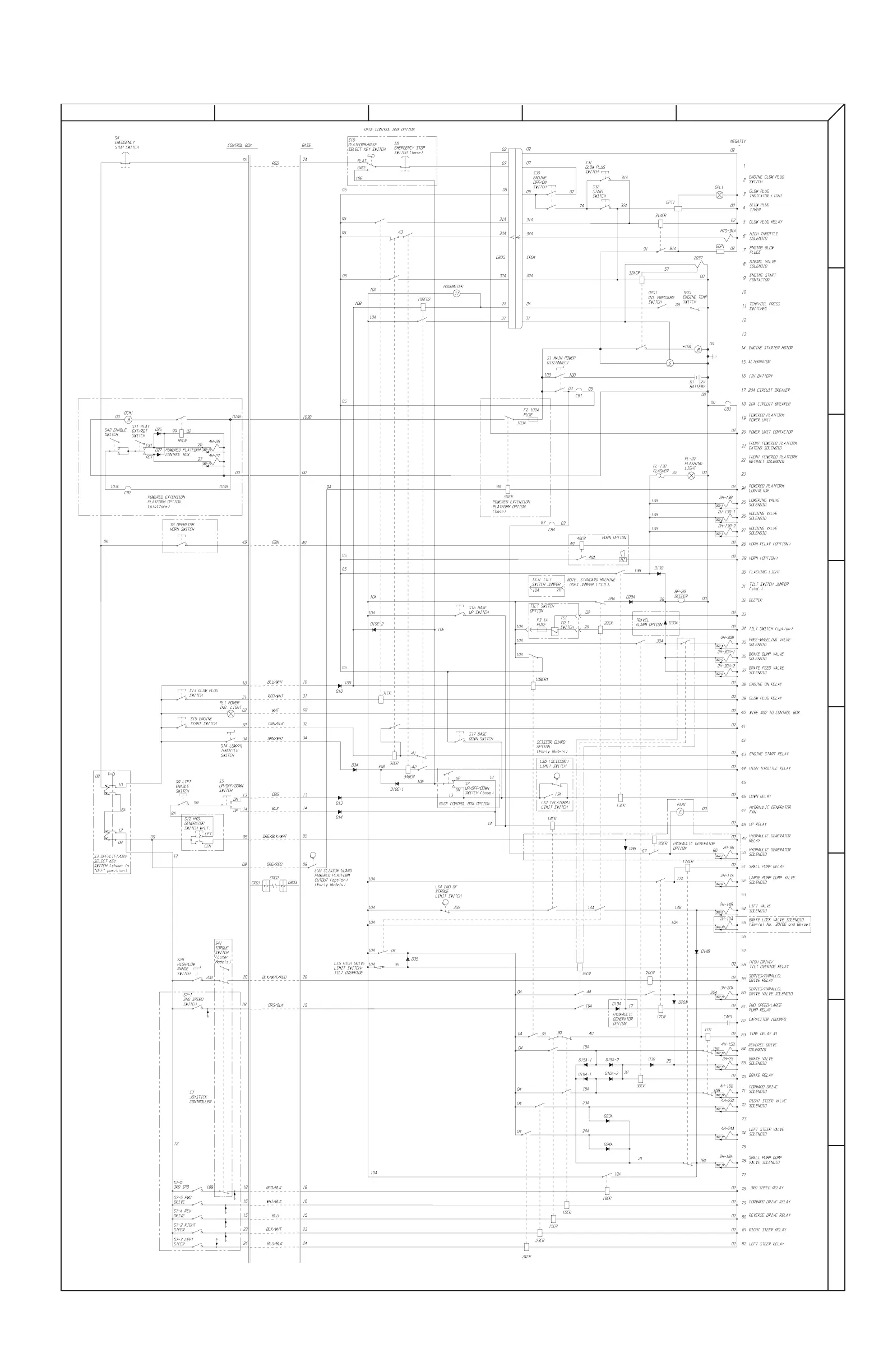
NOTE: To determine the correct electrical schematic or
panel diagram that resembles your machine, refer to the
“Table Of Contents” found at the beginning of this section.
SJ-600 Series Engine Powered 112715
FIGURE 3.5-3.
50024AA
FIGURE 3.5-3. ELECTRICAL SCHEMATIC (Machines Equipped With Kubota Diesel Engine and Shown With CE Options)
Parts List

Table of Contents