EasyManua.ls Logo

Skyworks Si5341 - Page 10

Skyworks Si5341
111 pages
Print Icon
To Next Page IconTo Next Page
To Next Page IconTo Next Page
To Previous Page IconTo Previous Page
To Previous Page IconTo Previous Page
Loading...
VDD
VDDA
3
SDA/SDIO
A1/SDO
SCLK
A0/CS
I2C_SEL
SPI/
I
2
C
NVM
RST
Zero Delay
Mode
FB_IN
FB_IN
OE
Si5341
Generator
Clock
÷R
0
÷R
2
÷R
3
÷R
4
÷R
5
÷R
6
÷R
7
÷R
8
÷R
9
÷R
1
OUT0
VDDO0
OUT0
OUT2
VDDO2
OUT2
OUT3
VDDO3
OUT3
OUT4
VDDO4
OUT4
OUT5
VDDO5
OUT5
OUT6
VDDO6
OUT6
OUT7
VDDO7
OUT7
OUT8
VDDO8
OUT8
OUT9
VDDO9
OUT9
OUT1
VDDO1
OUT1
÷P
fb
LPF
PD
÷
M
n
M
d
PLL
IN_SEL[1:0]
XA
XB
25MHz, 48-
54MHz
XTAL
OSC
÷P
2
÷P
1
÷P
0
IN0
IN0
IN1
IN1
IN2
IN2
FDEC
FINC
Frequency
Control
÷
N
0n
N
0d
t
0
÷
N
2n
N
2d
÷
N
3n
N
3d
÷
N
4n
N
4d
t
2
t
3
t
4
÷
N
1n
N
1d
t
1
MultiSynth
SYNC
Dividers/
Drivers
Status
Monitors
LOL
INTR
÷Pxaxb
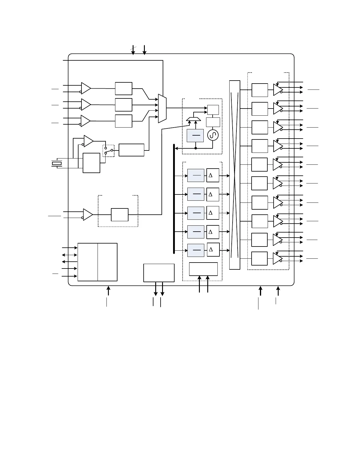
Figure 2.1. Si5341 Detailed Block Diagram
Si5341, Si5340 Rev D Family Reference Manual • Functional Description
Skyworks Solutions, Inc. • Phone [781] 376-3000 • Fax [781] 376-3100 • sales@skyworksinc.com • www.skyworksinc.com
10 Rev. 1.3 • Skyworks Proprietary Information • Products and Product Information are Subject to Change Without Notice • July 26, 2021 10

Table of Contents

Related product manuals