EasyManua.ls Logo

SLE 350 - 13 Wiring Diagram

SLE 350
42 pages
Print Icon
To Next Page IconTo Next Page
To Next Page IconTo Next Page
To Previous Page IconTo Previous Page
To Previous Page IconTo Previous Page
Loading...
Page 33 of 42
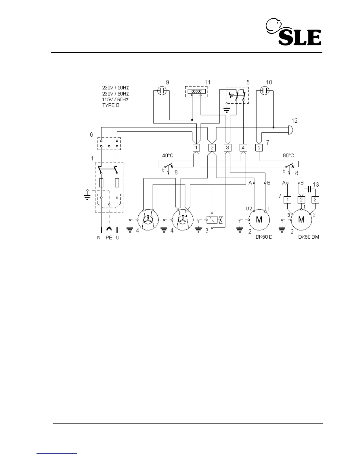
13. Wiring Diagram
1. Main input, power switch, primary fuses
2. Compressor motor
3. Solenoid valve
4. Cooling fan
5. Pressure switch
6. Filtering circuit
7. Terminal board
8. Thermoswitch
9. Power indicator
10. Cooling failure Indicator
11. Counter
12. Acoustic indicator
13. capacitor
230V / 50 Hz, TYPE B