EasyManua.ls Logo

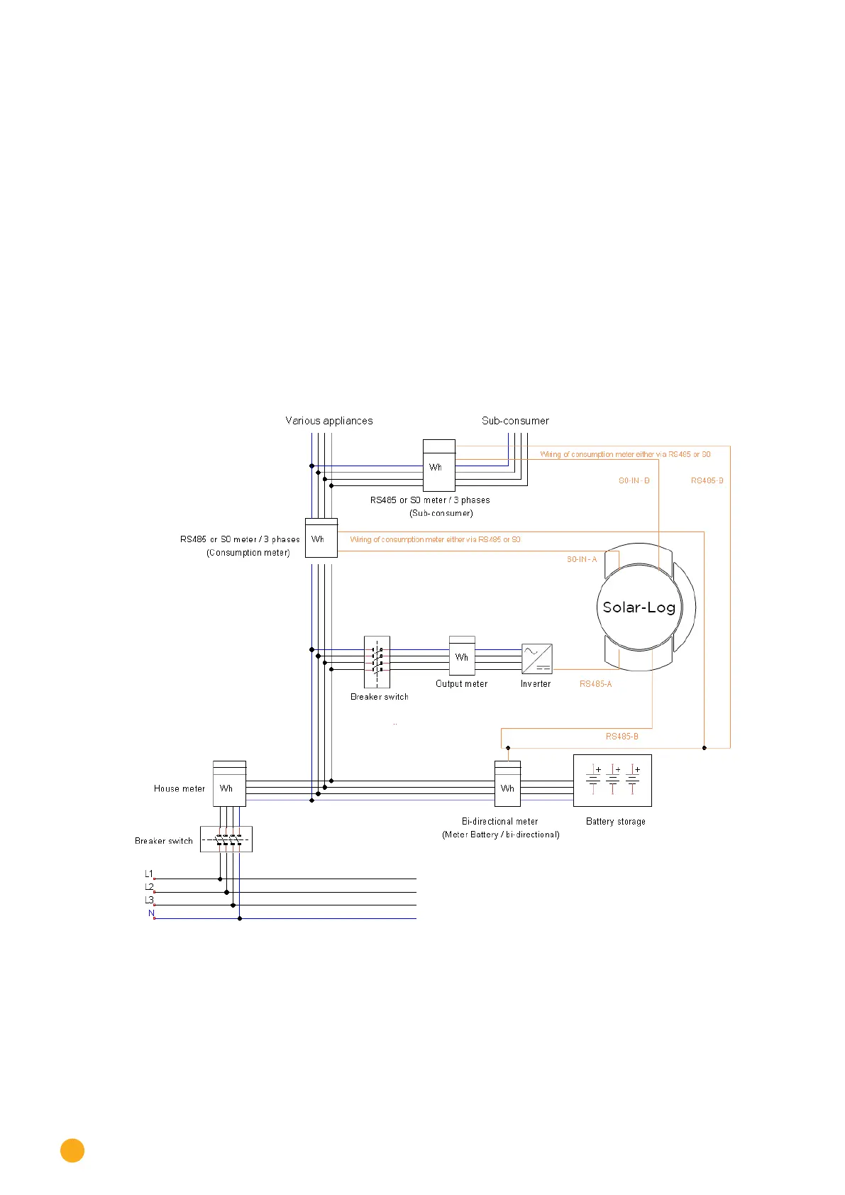
Solar-Log 200 - Wiring Meters to Record Self-Consumption; Meter Connection Options to Record the Total Consumption Via an RS485;S0 Interface; Fig.: Wiring Diagram for Recording Self-Consumption

Solar-Log 200
319 pages
Print Icon
To Next Page IconTo Next Page
To Next Page IconTo Next Page
To Previous Page IconTo Previous Page
To Previous Page IconTo Previous Page
Loading...
300
Appendix
25.3 Wiring meters to record self-consumption
To record self-consumption, an additional meter also has to be installed. There are two options on how to
install the meter.
25.3.1 Meter connection options to record the total consumption via an
RS485/S0 interface.
This meter has to measure the total consumption of the house.
The meters installed by grid operators, or two-way meters, cannot be used to implement
this function.
Fig.: Wiring diagram for recording self-consumption
The PV output meter displayed is optional.

Table of Contents

Other manuals for Solar-Log 200

Related product manuals