3-3
BDP-BX2/S360
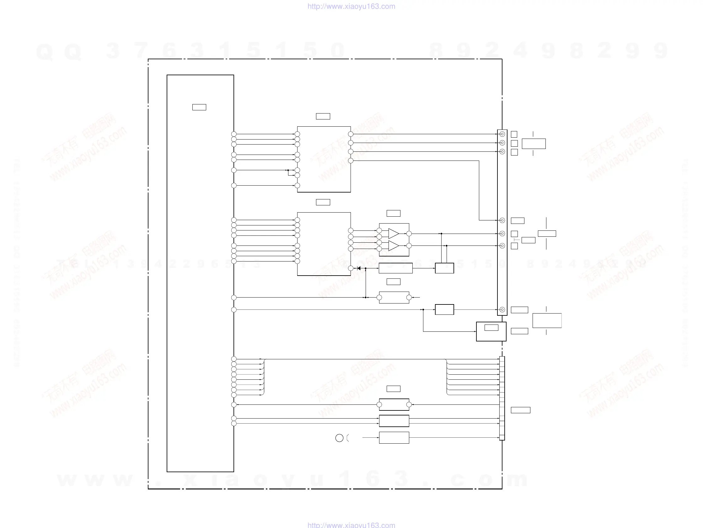
3-3. AV OUT BLOCK DIAGRAM
MB-127 BOARD (2/3)
7
9
4
6
1
3
10
12
19
16
15
(2/3)
MAIN SYSTEM CONTROL, DSP,
SATA I/F, MEMORY CONTROL,
A/V OUT, HDMI, ETHERNET I/F,
USB I/F
IC101
Y
COMPONENT
VIDEO OUT
P
B
PR
CEC
2
(3/3)
(SEE PAGE 3-4)
VIDEO AMP
IC808
VAY
F33
SYIN8
VAC
H33
SCIN3
VAG
H35
YIN10
VAB
F35
PBIN12
VAR
G34
PRIN14
D/A CONVERTER
IC804
LINE AMP
Q816
MUTING
Q806, Q811, Q812
MUTE DRIVE
IC807
RESET
IC809
AO1BD
E28
SDTI3
AO1MCK
G27
MCLK1
AO1BCK
E29
BICK2
AO1LRCK
F27
LRCK4
AOUTL+
12 3
AOUTL-
11 2
AOUTR+
10 5
AOUTR-
9
VDD
UNSW6VA9
DZFL
16
D802
6
S0DOUT
D34
CDTI8
S0CKOUT
D35
CCLK7
GPIO28
AJ27
CSN6
DAC_XRST
AK26
PDN5
OUT1
YOUT
23
PROUT
19
VOUT
28
PBOUT
21
GPIO27
AK28
PS116
PS2
15
GPIO11
J28
LPFSW17
HD_Y
HD_PB
HD_PR
SD_Y
XVMUTE
FORMAT1
SD_C
MC-10121F1_CSIO_DO
MC-10121F1_CSIO_CKO
MC-10121F1_CSIO_DAC2_XCS
DAC_XRST
GPIO26
AH27
XAMUTE
BUFFER
IC703
A
1
Y
4
HHPD
T31
ATX
C30
CN702
J801
DIGITAL OUT
PCM/DTS/DOLBY
DIGITAL
VIDEO
LINE OUT
AUDIO
L
R
COAXIAL
OPTICAL
HDMI OUT
+
−
+
−
1
7
OPTICAL
TRANSMITTER
IC801
Q801
BUFFER
HTXP0
M34
HTXN0
M35
HTXP1
L34
HTXN1
L35
HTXP2
K34
HTXN2
K35
HTXCP
N34
HTXCN
TXP0
TXN0
TXP1
TXN1
TXP2
TXN2
TCKP
TCKN
N35
HDSDA
V27
HDSCL
U27
TXP0
TXN0
TXP1
TXN1
TXP2
TXN2
TCKP
TCKN
TMDS DATA0 +
TMDS DATA0 -
TMDS DATA1 +
TMDS DATA1 -
TMDS DATA2 +
TMDS DATA2 -
TMDS CLOCK +
TMDS CLOCK -
SDA
SCL
13
CEC
HPD
Q701
LEVEL SHIFT
Q702
LEVEL SHIFT
05
w
w
w
.
x
i
a
o
y
u
1
6
3
.
c
o
m
Q
Q
3
7
6
3
1
5
1
5
0
9
9
2
8
9
4
2
9
8
T
E
L
1
3
9
4
2
2
9
6
5
1
3
9
9
2
8
9
4
2
9
8
0
5
1
5
1
3
6
7
3
Q
Q
TEL 13942296513 QQ 376315150 892498299
TEL 13942296513 QQ 376315150 892498299
http://www.xiaoyu163.com
http://www.xiaoyu163.com