EasyManua.ls Logo

Sony CX-JT7 - Block Diagram - AMP;POWER SUPPLY Section

Sony CX-JT7
92 pages
Print Icon
To Next Page IconTo Next Page
To Next Page IconTo Next Page
To Previous Page IconTo Previous Page
To Previous Page IconTo Previous Page
Loading...
CX-JT7
2424
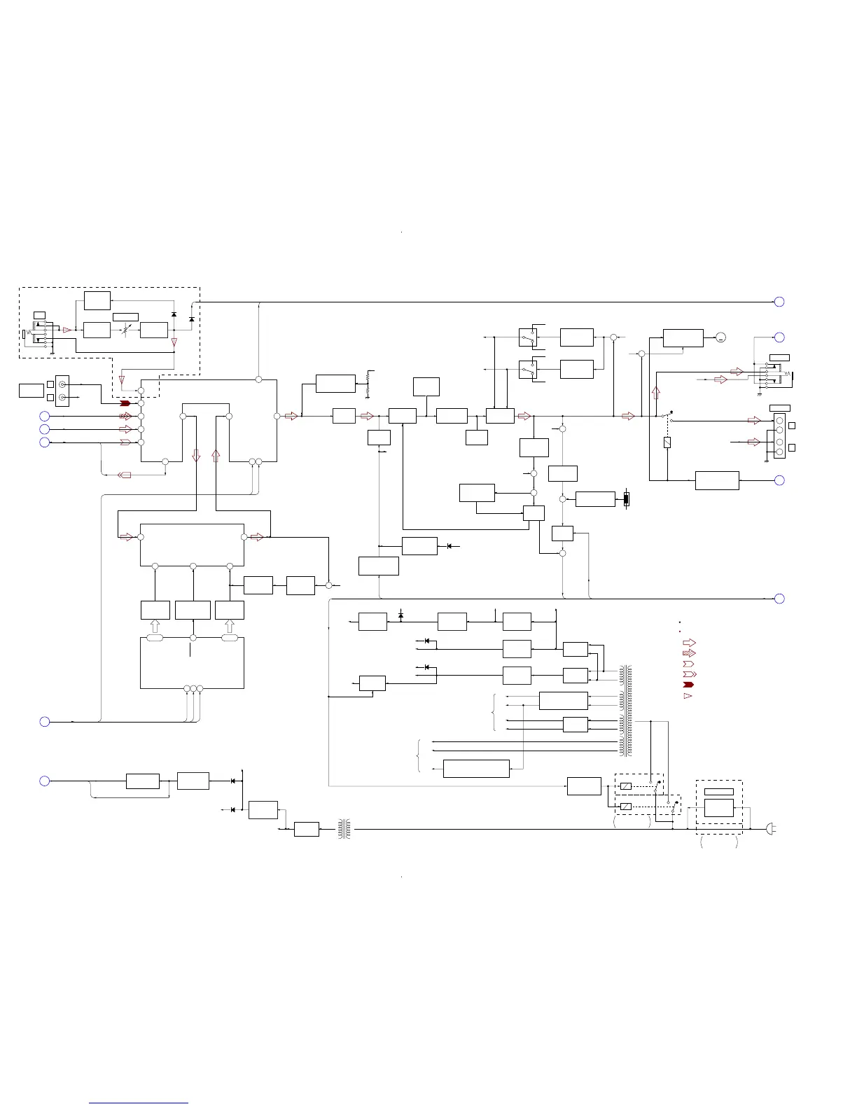
6-3. BLOCK DIAGRAM – AMP/POWER SUPPLY Section –
J221
R-CH
PHONES
SPEAKER
+
+
R
L
JK502
R-CH
–VL
–VP
+VP
–VH
OUTPUT LEVEL
DETECT
Q23, 24
BIAS
Q507, 509
HOLD
Q7 – 9
FEED BACK
SWITCH
Q491
FINAL DRIVE
Q501, 503
SWITCHING
Q17, 19, 22
SWITCHING
Q18
R-CH
R-CH
+
+
R-CH
CASCADE
Q511, 513, 515
MIC AMP
IC401 (1/2)
MIC AMP
IC401 (2/2)
MUTING
Q525
CURRENT
MIRROR
Q521, 523
FREQUENCY
CONTROL
Q314 – 316
BASS BOOST
ON/OFF SWITCH
Q323
R-CH
+
+VL
+VH
OUTPUT LEVEL
DETECT
Q20, 21
1
14
6
9
BASS BOOST ENHANCER
IC303 (SUFFIX-11) IC303 (SUFFIX-13)
INPUT SELECTSWITCH, TONE CONTROL,
ELECTRICAL VOLUME, BASS BOOST AMP
IC301 (SUFFIX-11) IC301 (SUFFIX-13)
BASS BOOST CONTROLLER
IC310 (SUFFIX-11) IC310 (SUFFIX-13)
CTRL1 –
CTRL3
INA
VREF
7
BBE
13
GIN
I-BASS
19
SAOUT
SA
MIC
OUTA
29
TOUT
25
OUT2
VR401
J401
3
DATA
4
CLOCK
LCK
S-MUTE
O-POWER
O-POWER
HOLD
CLK
SO
5
LCK
35
RECB-2
12 – 10
BASS BOOST
CONTROL
Q317 – 320
BB CTRL1 –
BB CTRL4
16 – 13
40
CD-L
MD-L
2
MIC
39
TUNER-L
38
TAPE-L
28
VOLIN2
MIC LEVEL
AGC
Q401
–30V REGULATOR
Q533 – 536 (Except AEP, UK, CIS)
Q534 – 536 (AEP, UK, CIS)
(AC IN)
SUB POWER
TRANSFORMER
PT902
MAIN POWER
TRANSFORMER
PT901
RECT
D2
+VL
TO
POWER AMP
BLOCK
–VL
VL
VL
VF1
TO
FLUORESCENT
INDICATOR TUBE
VF2
RECT
D1 (Except AEP, UK, CIS)
D3 – 6 (AEP, UK, CIS)
+VH
–VH
VM+9V
VM+10V
–VFL
EVER+10V
VH
VH
RECT
D319 – 322
RECT
D301 – 304
VM
VM
VCC
RECT
D902 – 905
DECK+9V, M+9V
+4V
REGULATOR
IC501
+3.3V (SUB)
POWER DOWN
RESET
D504
RESET SIGNAL
GENERATOR
IC502
MIC
MIC MIXING
CD-L
A
D402
TUNER-L
J
TAPE-L, REC-L TAPE-L
REC-L
G
DI, SO, CLK,
MCLK, LCK
K
RESET,
POWER DOWN
C
21
DATA
22
CLOCK
D401
MIC, SA
(Page 23)
E
S-MUTE, O-POWER, HOLD
B
: MIC INPUT
(Page 22)
H
(Page 23)
HP
F
(Page 23)
(Page 22)
(Page 23)
(Page 23)
(Page 23)
(Page 22)
(Except AEP, UK, CIS)
(Chilean, Peruvian)
(Chilean, Peruvian)
Except
Chilean, Peruvian
AC VOLTAGE
S901
Except
Chilean, Peruvian
VOLTAGE
SELECTOR
RY901
POWER ON/OFF
RELAY DRIVE
Q330, 331
RY902
+10V
REGULATOR
IC313
+9V
REGULATOR
IC308
D102
P+7V
D313 – 315
+9V
REGULATOR
IC305
+4V
REGULATOR
IC306
B+ SWITCH
Q301, 302
RELAY B++9V
+1.8V
(MP3)
+3.3V (MAIN)
+1.8V
REGULATOR
IC803
RESET SWITCH
Q901
R-CH
SPEAKER ON/OFF
RELAY DRIVE
Q304
FAN MOTOR
ON/OFF SWITCH
Q327, 328, 372, 373
RY501
M731
(FAN)
M
SP-F
: TAPE PLAY
: REC
: CD PLAY
: TUNER (FM/AM)
SIGNAL PATH
: MD (VIDEO) IN
R-ch is omitted due to same as L-ch.
R-CH
JK302
L
R
MD (VIDEO)
IN
37
BASS BOOST
CONTROL
Q492
R-CH
BUFFER
IC304
CENTER VOLATAGE
GENERATOR
Q324
VM+10V
MCLK
DI
+
R-CH
OVER LOAD
DETECT
Q505
DC DETECT
Q5, 6
THERMAL DETECT
Q10, 11
+
+
TH501,
502
+
R-CH
+
MUTING CONTROL
SWITCH
Q527
POWER OFF
MUTING DRIVER
Q529, 530
D513
VM+10V
HOLD
Q12
OVER CURRENT
DETECT
Q13
PRE DRIVE
Q517, 519
+4V
IC304 (SUFFIX-11) IC304 (SUFFIX-13)
IC313 (SUFFIX-11) IC313 (SUFFIX-13)
IC308 (SUFFIX-11) IC308 (SUFFIX-13)
IC305 (SUFFIX-11) IC305 (SUFFIX-13)
IC306 (SUFFIX-11) IC306 (SUFFIX-13)

Table of Contents