EasyManua.ls Logo

Sony CX-JT7 - Schematic Diagram - POWER Board (2;2)

Sony CX-JT7
92 pages
Print Icon
To Next Page IconTo Next Page
To Next Page IconTo Next Page
To Previous Page IconTo Previous Page
To Previous Page IconTo Previous Page
Loading...
CX-JT7
4545
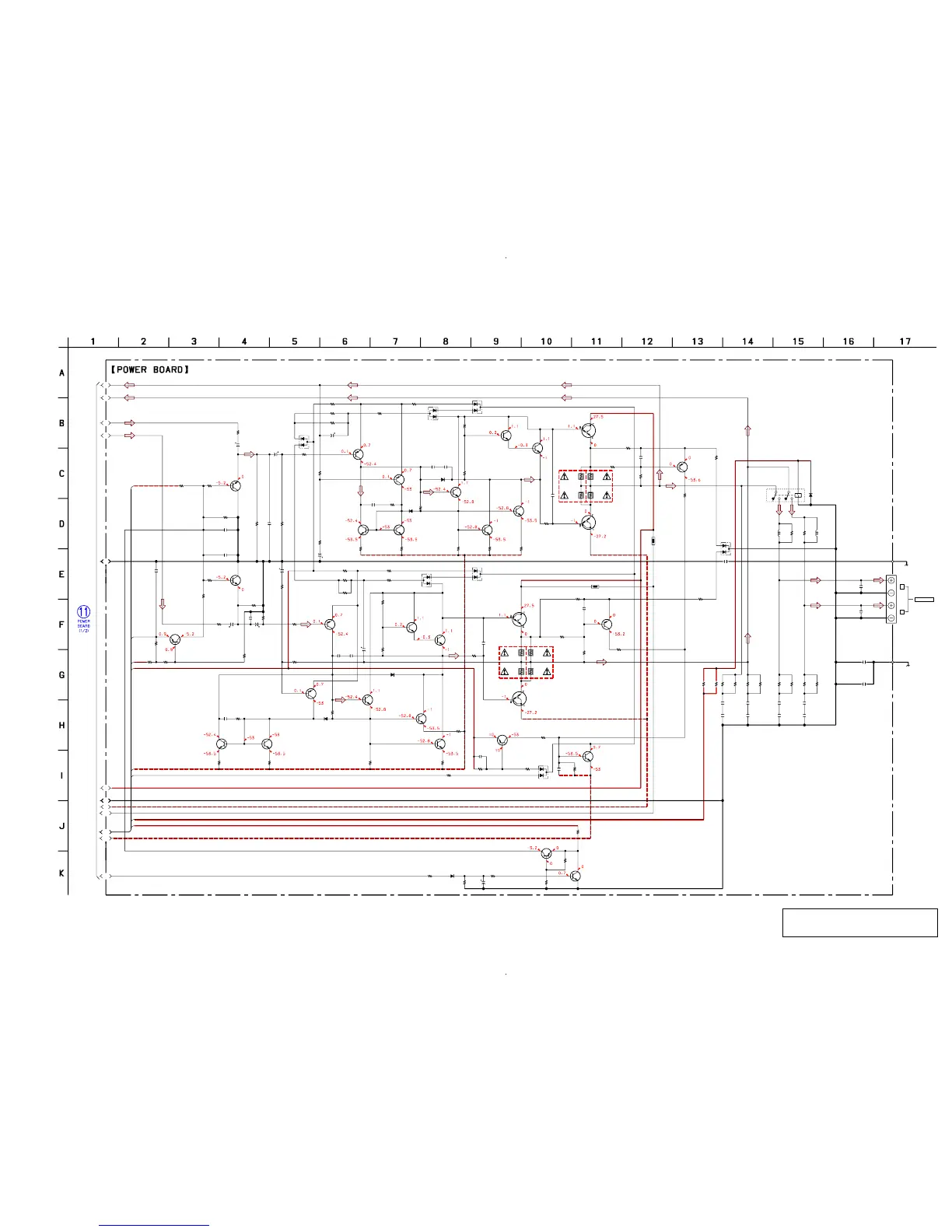
6-24. SCHEMATIC DIAGRAM – POWER Board (2/2) –
The components identified by mark 0 or dotted
line with mark 0 are critical for safety.
Replace only with part number specified.
C534
C535
EP502
R66
C26
R65R520R526
R67
D20
R578
R577 D513 R575
R594
R593
C529
R576
R536 R534
R90
R510
R512
R532C510 R528
Q514
Q512
R518
D506
R522
R524 R516
C504
Q506
R506
C502
TH502
C512
D502
D504
R546
C522
R560 R554C520
R591 R562
R592
R558
R561
C530
R569 R557
R555 C519 R553
C517
EP501
C532
C533R544
R542
C508 C506
R540
Q520
R533 R525
R514
R505
C501
R509
R517
C505C507
D505
Q515
D507
R521
R523
R531C509
R539
R541
D510
C511
R543
Q519
R547
R559
C521
R535
C513
R545
C518
C538
R599
R556
R500
R513
R511
C523
D511
R571 R570
Q511
Q513
R519
D503
D501
R537
R529
TH501
L502L501
D509
JK502
C543
C541 C542
C544 C527
C525 C524
C526
R582R572R579R573R604R602R603R601R574
C540
Q527
Q521
R530
R538
Q508
Q510
R548
D508
Q518
Q516
Q522Q524 Q13
R502
R504
Q530
Q529
Q505
Q507
Q509
R501
R503
Q517
Q523
Q12
R527
RY501
R589
Q525
R550
R549
Q526
C514
R508
C503
R507
R597
R595
R596
R598
Q501
R515
Q503
Q504
Q502
R68C25
0.1
0.1
10k
4700p
10k391k
47k
MC2838
220
4.7k 1SS355TE-17 4.7k
10k
10k
2.2
50V
22k
100 100
10k
2.7k
1k
1.5k820p 47k
2SC3478
LK
2SC3478
LK
39
1SS244
1.8k
2.2k 220
0.1
2SB792A(RS)
100
0.01
33
35V
MC2836
MC2838
100
0.47
50V3.9k 27k820p
47k 1M
15k
1k
68k
0.1
470k 1k
47k 820p 27k
0.22
50V
2200p
2200p2.2k
2.2k
100p
100V
100p
100V
10k
2SB792A(RS)
100 1k
6.8k
100
0.01
2.7k
39
100p
100V
100p
100V
1SS244
2SD814A(RS)
1SS355TE
-17
1.8k
2.2k
1.5k820p
10k
2.2k
MC2836
33
35V
2.2k
2SB792A(RS)
27k
3.9k
0.47
50V
100
22
50V
100
0.22
50V
0.33
47k
47k
4.7k
6.8k
1k
0.1
1SS355TE-17
10
1/2W
10
1/2W
2SC3478
LK
2SC3478
LK
39
MC2838
MC2836
1k
4.7k
MC2838
4P
0.1
0.1 0.1
0.1 0.1
0.1 0.1
0.1
1818181818181818220
10
16V
2SA1235F
2SC3052F
4.7k
1k
2SC3052F
2SC3052F
27k
1SS355TE
-17
2SB792A(RS)
2SD814A(RS)
2SC3052F2SC3052F 2SB792A(RS)
0.22
3W
0.22
3W
2SA1235F
2SC3052F
2SB792A(RS)
2SC3052F
2SC3052F
0.22
3W
0.22
3W
2SB792A(RS)
2SC3052F
2SC3143
K4/K5
47k
4.7k
2SC3624A
-T1L15
2SC3624A
-T1L15
22
50V
0.1
0.22
2W
0.22
2W
0.22
2W
0.22
2W
220
10k2200p
A1
A2
A3
A4
A5
A7
A8
A9
A10
A11
A12
A13
-VL
-VH
MUTE
VCC
HOLD
+VH
RYB+
VM
(CHASSIS)
(CHASSIS)
(2/2)
-1 -2
L
R
MUTING
MUTING
CONTROL
SWITCH
MUTING
Q508,510
BIASQ518,520
PRE DRIVE
Q522,524
CURRENT
MIRROR
Q512,514,516
CASCADE
OVER CURRENT
DETECT
HOLD
DETECT
OVER LOAD
Q502,504
FINAL
DRIVE
Q529,530
POWER OFF
MUTING DRIVER
DETECT
OVER LOAD
FINAL
DRIVE
Q501,503
BIAS
Q507,509
CASCADE
Q511,513,515
CURRENT
MIRROR
Q521,523
PRE DRIVE
Q517,519
(AEP,UK,CIS)
R549,550
470
560
(MX,E51)
(AEP,UK,CIS)
(MX,E51)1.2k
1.5k
(AEP,UK,CIS)
(MX,E51)1.2k
1.5k
(AEP,UK,CIS)(MX,E51)
(MX,E51) (AEP,UK,CIS)
(AEP,UK,CIS)
(MX,E51)2SD2439
Q501
(AEP,UK,CIS)
(MX,E51)2SB1588
(AEP,UK,CIS)
(MX,E51)2SB1588
(AEP,UK,CIS)
(MX,E51)2SD2439
Q502
SPEAKER
FP1016
FP1016
FP1016
FP1016
(Page 44)

Table of Contents

Related product manuals