EasyManua.ls Logo

Sony HCD-BX5 - Page 31

Sony HCD-BX5
66 pages
Print Icon
To Next Page IconTo Next Page
To Next Page IconTo Next Page
To Previous Page IconTo Previous Page
To Previous Page IconTo Previous Page
Loading...
HCD-BX5/DX5/DX5J
3131
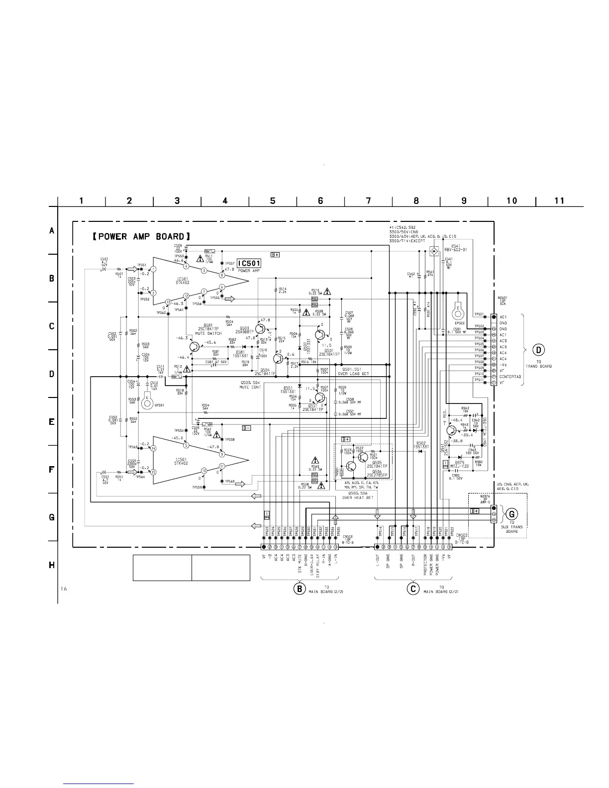
7-10. SCHEMATIC DIAGRAM POWER AMP SECTION
(Page 29)
(Page 29)
(Page 39)
(Page 39)
The components identified by
mark 0 or dotted line with mark
0 are critical for safety.
Replace only with part number
specified.
Les composants identifiés par
une marque 0 sont critiques
pour la sécurité.
Ne les remplacer que par une
pièce portant le numéro spécifié.

Related product manuals