EasyManua.ls Logo

Sony HCD-CP11 - Block Diagram - MAIN Section

Sony HCD-CP11
57 pages
Print Icon
To Next Page IconTo Next Page
To Next Page IconTo Next Page
To Previous Page IconTo Previous Page
To Previous Page IconTo Previous Page
Loading...
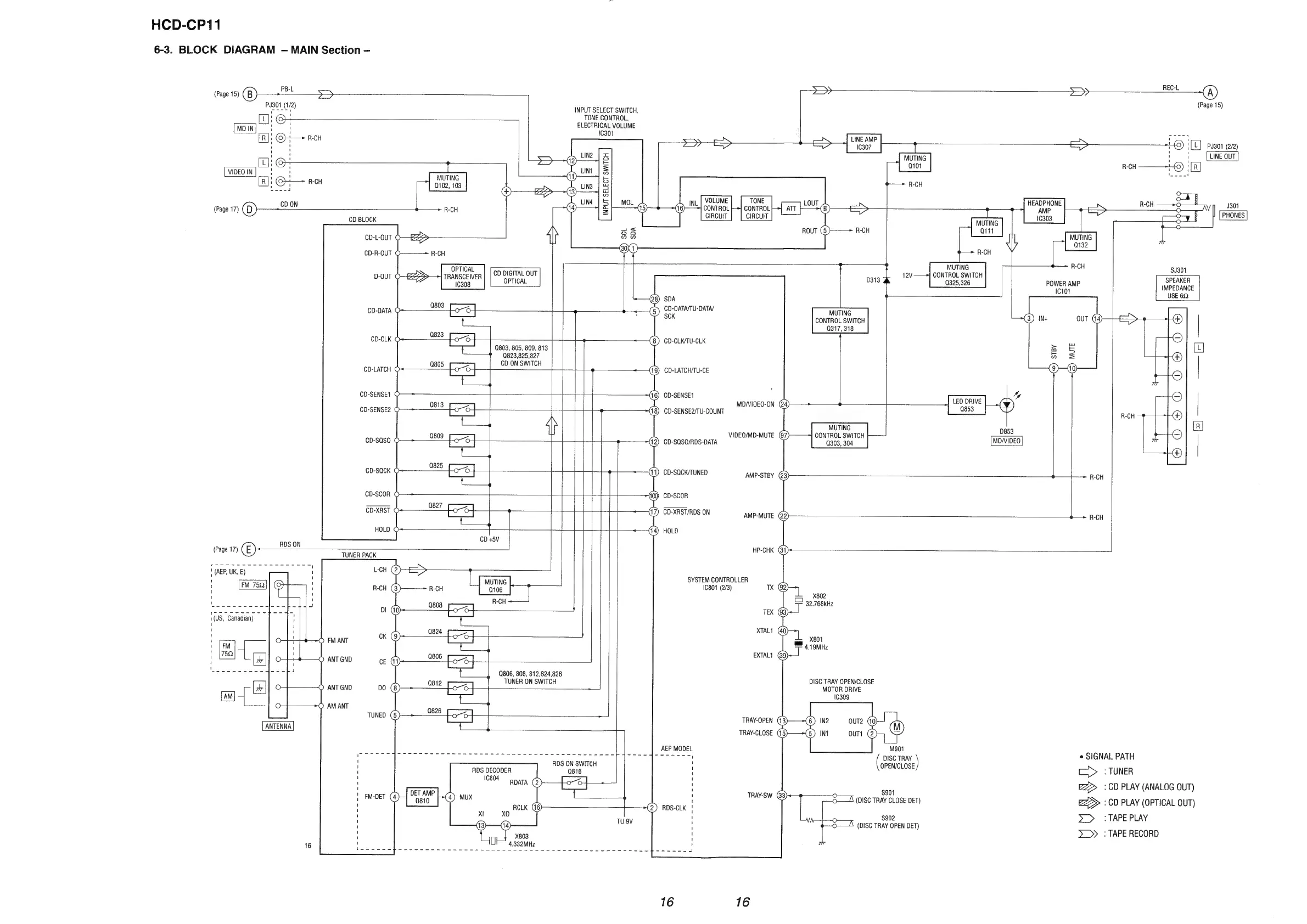
HCD-CP11
6-3.
BLOCK
DIAGRAM
-
MAIN
Section
(Page
15)
(B)}
"5
=
>
perl
=)
Page
15
Pas
INPUT
SELECT
SWITCH,
va
1
O:
TONE
CONTROL,
won)
i
|
ELECTRICAL
VOLUME
:
'
5)
rr
|
a:
R]!
Q2—
RCH
LINE
AMP
oe
ae
>-+>
=>
1¢307
>
"
€0)
'[L]
Pu301
(2/2)
I
on
fi
x
Hog
LINE
QUT
!
1
SEN
S
MUTING
1
'
L]i
Or
=
ato1
RCH
£6)
'[R
a
MUTING
e
vee!
R]:
@4—
a-ch
pot
esk
S
$—~
RCH
es
©
ae
3
vou
=
UME
TONE
CD
ON
5
LOUT
HEADPHONE
R-CH
J301
(Page
17)
0)
-
RCH
Es
CONTROL
}-+}
conTROL
|--{
ATT
6
=>
=~
AMP
=>
R
=
CIRCUIT
CIRCUIT
PHONES
CD
BLOCK
if
sae
1303
ROUT
R-CH
att
CD-L-OUT
22>
a
MUTING
qt
0132
CD-R-OUT
R-CH
OPTICAL
;
MUTING
nae
$301
TRANSCEIVER
|
|
CD
DIGITAL
OUT
oa
12V
CONTROL
SWITCH
;
a
OPTICAL
0313
325,326
POWER
AMP
‘epetaine
-
uly:
USE
60
SDA
CD-DATA
*
a
elas
MUTING
CONTROL
SWITCH
fs
=
0317,
318
t
-
CD-CLK/TU-CLK
0803,
805,
809,
813
+
“"
9823,825,827
Q805
CD
ON
SWITCH
CD-LATCH
-
CD-LATCH/TU-CE
—$_$$<————=@
CD-SENSE1
-
+
CD-SENSE1
ae
0813
MD/VIDEO-ON
_
+
aaa
CD-SENSE2
O-—~
+
CD-SENSE2/TU-COUNT
9853
ry
i——+
as
MUTING
anee
80g
VIDEO/MD-MUTE
CONTROL
SWITCH
ss
Ee]
7
CD-SQSO/RDS-DATA
Q303,
304
MD/VIDEO
L____4
0825
¢
-
CD-SQCK/TUNED
AMP-STBY
+
~~
RCH
\____»
|
-
CD-SCOR
0827
+-+—
CD-XRST/RDS
ON
sian
|
Sener
t
|
-
HOLD
CD
45V
i
pace:
©-
RDS
ON
TUNER
PACK
stole
ieee
ae
(AEP,
UK,
E)
|
1
SURG
SYSTEM
CONTROLLER
FM_75Q
R-CH
a106
1€801
(2/3)
oa
ali
R-CH
&
32.768kH
Lee
ee
ae
OF
Q808
:
e
psi
ween
i
1(US,
Canadian)
I
0824
y
i
aw
X80!
1
fem
|_|
Ms
soMHz
'
1750
Ee
ANT
GND
0806
!
coag
ees
0806,
808,
812,824,826
fend
Q812
TUNER
ON
SWITCH
DISC
TRAY
OPEN/CLOSE
i
=
MOTOR
DRIVE
am]
4
1¢309
0826
Tain
va
TRAY-OPEN
_t
TRAY-CLOSE
AEP
MODEL
M901
SSCS
S
eget
see
Se
se
Sea
eee
hee
eS
:
aie
cad
ie
tania
(
DISC
TRAY
)
e
SIGNAL
PATH
RDS
DECODER
DEES
[>
:
TUNER
1804
EZ>
:
CD
PLAY
(ANALOG
OUT)
O
S—D
(isc
TRAY
CLOSE
DET)
ZZ>>
:
CD
PLAY
(OPTICAL
OUT)
Ss
>.>
_:
TAPE
PLAY
TU
SV
}
>
A
(isc
TRAY
OPEN
DET)
>_>
:
TAPE
RECORD
16
16
16