EasyManua.ls Logo

Sony HCD-CP11 - Seteeeeenesees

Sony HCD-CP11
57 pages
Print Icon
To Next Page IconTo Next Page
To Next Page IconTo Next Page
To Previous Page IconTo Previous Page
To Previous Page IconTo Previous Page
Loading...
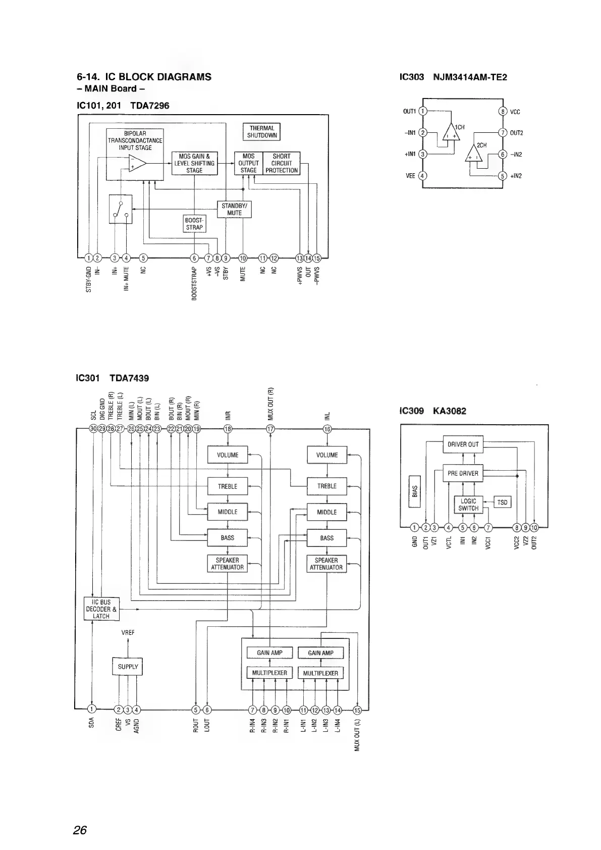
6-14.
IC
BLOCK
DIAGRAMS
MAIN
Board
1C101,
201
TDA7296
BIPOLAR
TRANSCONDACTANCE
INPUT
STAGE
MOS
GAIN
&
LEVEL
SHIFTING
STAGE
THERMAL
SHUTDOWN
MOS
SHORT
OUTPUT
CIRCUIT
STAGE
|
PROTECTION
|
2
(4)—+(5)
6
g2
25
8
z
296
=
=
B
2
[<a)
+
pd
5
2
&
oO
ca
1C301
TDA7439
Ses
ery
ea
oc
{A
Sea
S559
fEeE
trowu
2
2 2
2
oc
BEEE
S282
SES:
2
BO
CHCEE7)-C6)
C2220)
+
+
TREB
MIDD
BAS
VOLUME
LE
=a)
mlb
S
ideal
SPEAKER
ATTENUATOR
STANDBY/
MUTE
el)
45)
Be
lee’
(258
=
aoe
5
Oo
5
P|
=
=
6)
VOLUME
TREBLE
MIDDLE
ral
i
BASS
SPEAKER
ATTENUATOR
[
So
wal
ROUT
©)
LOUT
(@)
SDA
26
PTTL
Th
bboe-booe
R-IN4 R-IN3
R-IN2
R-IN1
L-IN1
L-IN2
L-IN3
L-IN4
MUX
OUT
(L)
G)
IC303
NJM3414AM-TE2
ouTt
(1)
(8)
vec
=n
@)
VAX
@
oure
ant
@)
L\
ane
veE
(4)
(5)
+IN2
IC309
KA3082
meen
a
660-0
(19)
is]
=z
VCTL
IN1
I
vcCt