EasyManua.ls Logo

Sony HCD-CP11 - Printed Wiring Boards 6-11. Schematic Diagram - CONTROL Section

Sony HCD-CP11
57 pages
Print Icon
To Next Page IconTo Next Page
To Next Page IconTo Next Page
To Previous Page IconTo Previous Page
To Previous Page IconTo Previous Page
Loading...
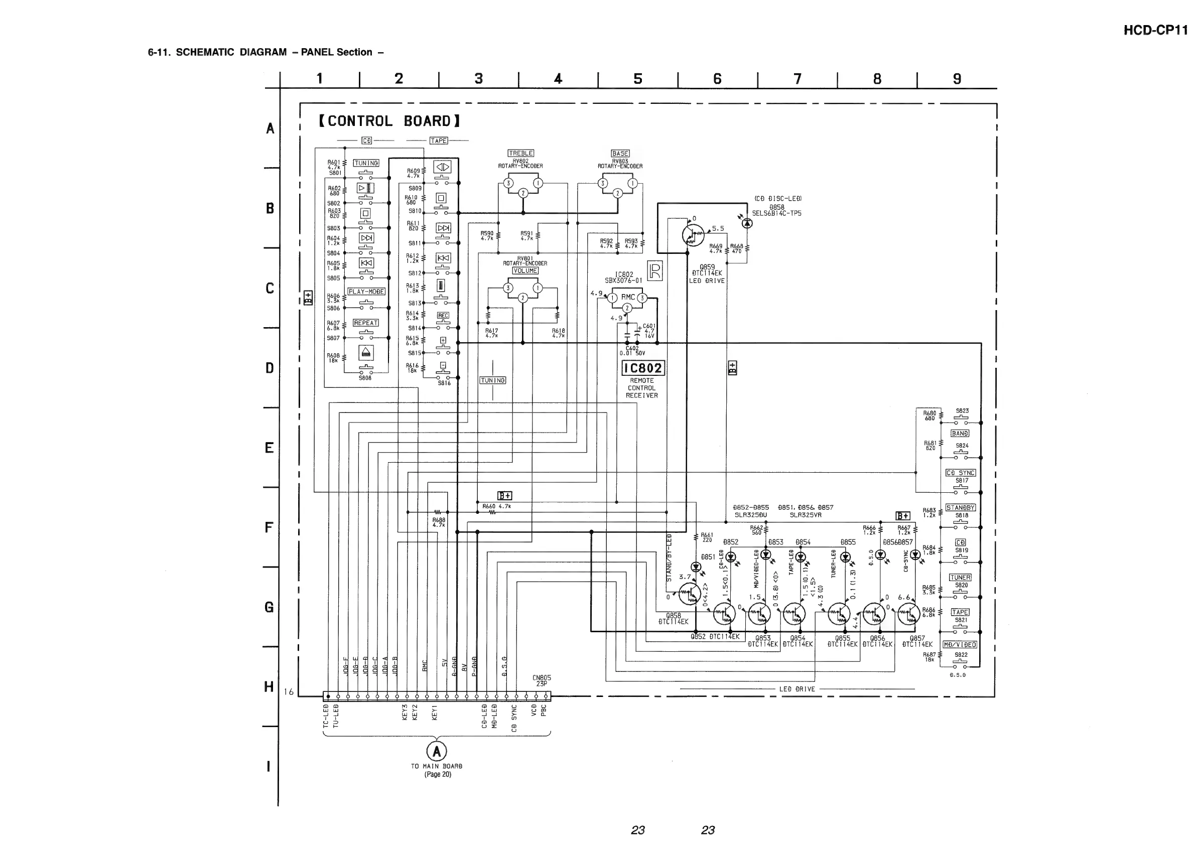
HCD-CP11
6-11.
SCHEMATIC
DIAGRAM
-
PANEL
Section
-
[CONTROL
BOARD]
TREBLE
BASE
RV802
RV803
ROTARY-ENCOBER
ROTARY-ENCOBER
RV801
ROTARY-ENCOBER
VOLUME
R617
R618
Emi
"7k
7k
02
CONTROL
ie
|
RECEIVER
meme
a
Sy
eal:
(ad
a
a
eK
BEL
fs
eh
|
ea
2)
|
|
;
449455
4
CN805
23P
re
PO
OO
FSS
OSES
OSH
OOTY
FOF
OD
N
(Ch
PISC-LED
858
SELS6B14C-TPS
Q859
OTC114EK
LEB
ORIVE
3
+]
B
8852-8855
851,
8854,
857
SLR3258U
SLR3S25VR
9851
4@)
ape
>
1.5<0.1
aa
Md
-
aa
a)
Qo
w
Ww
>
>
>
ww
Zz
oa
ne
iu
iy
iy
alt
>
>a
Ss
wM
Mw
ane
o
oD
ag
FF
oF
a
Kate
nee
Sse,
TO
MAIN
BOAR®
(Page
20)
23
23