EasyManua.ls Logo

Sony HCD-CP11 - 6-4. BLOCK DIAGRAM - DISPLAY;POWER SUPPLY Section

Sony HCD-CP11
57 pages
Print Icon
To Next Page IconTo Next Page
To Next Page IconTo Next Page
To Previous Page IconTo Previous Page
To Previous Page IconTo Previous Page
Loading...
HCD-CP11
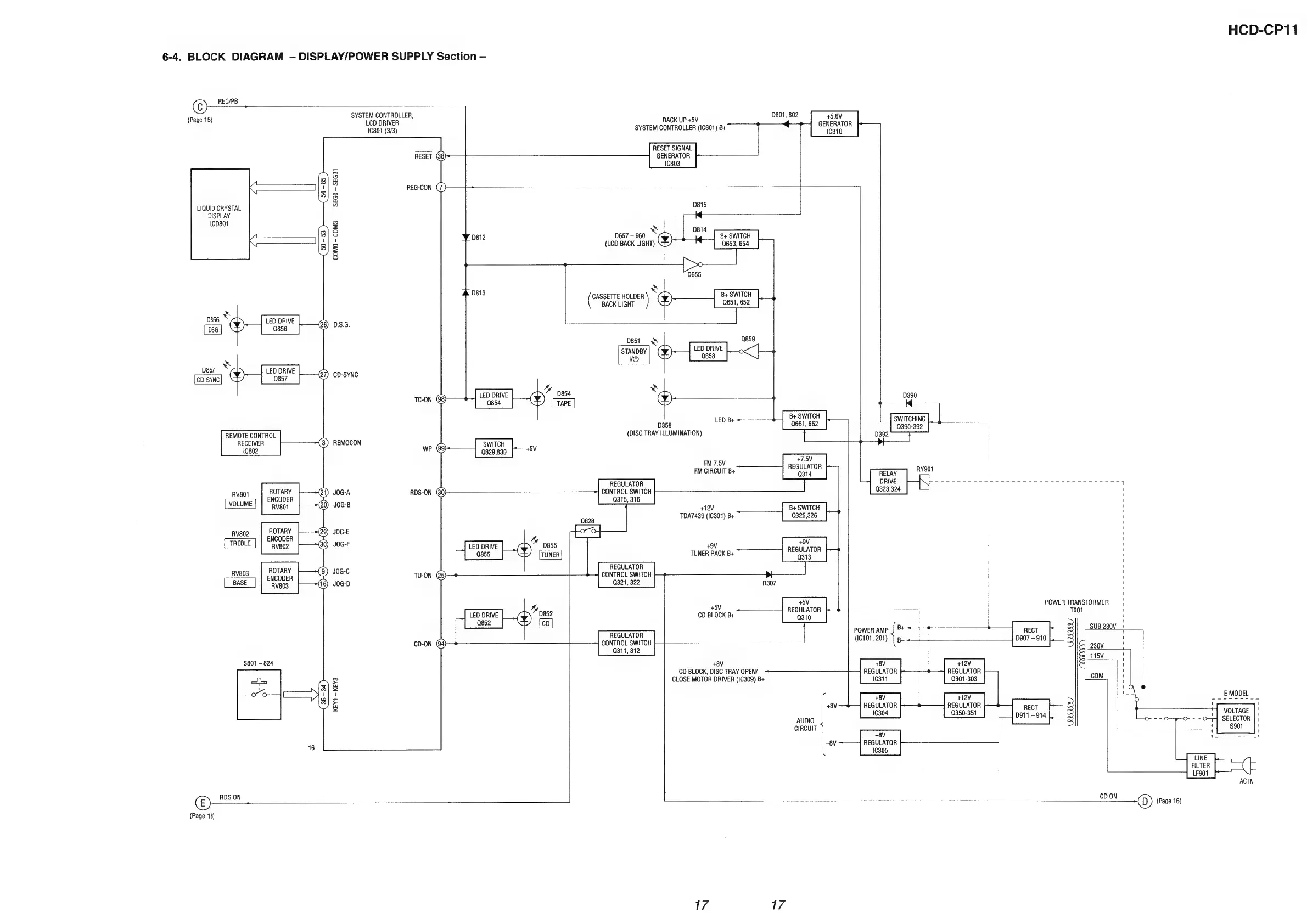
6-4.
BLOCK
DIAGRAM
-
DISPLAY/POWER
SUPPLY
Section
-
(C}
REC/PB
er
er
woes
mE
1¢801
(3/3)
SYSTEM
CONTROLLER
(C801)
B+
eto
RESET
SIGNAL
GENERATOR
1803
-
irr]
om
om
g
[vey
LIQUID
CRYSTAL
2
D815
DISPLAY
LcD801
2
5
x
Cael
0812
D657
~
660
e
(LCD
BACK
LIGHT)
S
Oo
D81
S
Ble
CASSETTE
HOLDER
BACK
LIGHT
x
0856
(¥)
LED
DRIVE
DSG
0856
D851
STANDBY
N
uc
D867
@)
LED
DRIVE
CD
SYNC
0857
4
x
LED
DRIVE
@)
“0854
D390
0854
TAPE
B+
SWITCH
i
SWITCHING
i.
0858
ee
0390-392
REMOTE
CONTROL
(DISC
TRAY
ILLUMINATION)
D392
RECEIVER
REMOCON
SWITCH
1802
829,830
+N.
;
+75)
FM
7.5V
FM
CIRCUIT
B+
aL
RY
pe
REGULATOR
DRIVE
ig
ne
Go
sine
aR
a
eee
Se
ROTARY
CONTROL
SWITCH
Q323,324
IN
\
RV801
VOLUME
0315,
316
H12V
B+
SWITCH
TDA7439
(IC301)
B+
325,326
I
1
RV802
e
TREBLE
‘4
+9V
LED
DRIVE
¥)
D855
+9
REGULATOR
Q855
TUNER
TUNER
PACK
B+
0313
'
1
REGULATOR
_Ave03_
|
ACODER
CONTROL
SWITCH
BASE
RV803
0321,
322
D307
fi
=
+5V
POWER
TRANSFORMER
=|
a
ne
LED
DRIVE
CD
BLOCK
B+
arora
0852
POWER
AMP
J
8+
=—
RECT
SUB
230V_
REGULATOR
(IC101,
201)
}
p=
D907
-
910
CONTROL
SWITCH
;
=
0311,
312
$801
-
824
+8V
+8V
+12V
CD
BLOCK,
DISC
TRAY
OPEN/
REGULATOR
REGULATOR
CLOSE
MOTOR
DRIVER
(C309)
B+
C311
0301-303
78V
+12V
E
MODEL
+8V
REGULATOR REGULATOR
RECT
10304
0350-351
VOLTAGE
0911-914
SELECTOR
$901
AUDIO
CIRCUIT
-8V
REGULATOR
1¢305
-8V
(E)
RDS
ON
(Page
16)
17
17