EasyManua.ls Logo

Sony HCD-DR4 - Schematic Diagram - Deck Section

Sony HCD-DR4
88 pages
Print Icon
To Next Page IconTo Next Page
To Next Page IconTo Next Page
To Previous Page IconTo Previous Page
To Previous Page IconTo Previous Page
Loading...
HCD-DR4/DR5/DR6/DR440/W300/W5000/XB500
– 53 –
– 54 –
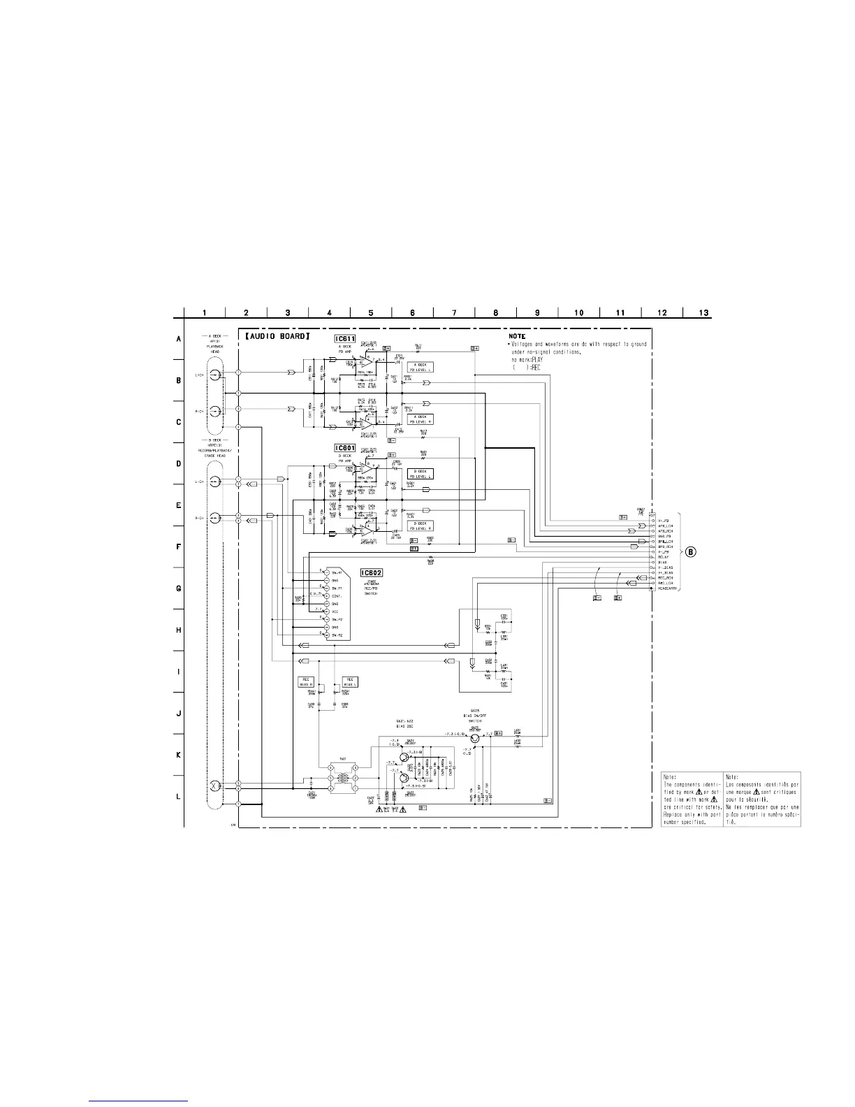
7-11. SCHEMATIC DIAGRAM – DECK SECTION –
(Page 49)

Table of Contents

Related product manuals